ГОСТ 14619-69 Ткани хлопчатобумажные технические для авиационной промышленности. Технические условия
ГОСТ
Скачать ГОСТ в PDF или DOC бесплатно
Основная информация
Обозначение:
ГОСТ 14619-69
Статус:
Действует
Тип:
ГОСТ
Название русское:
Ткани хлопчатобумажные технические для авиационной промышленности. Технические условия
Название английское:
Industrial cotton fabrics for aircraft industry. Specifications
Даты и сроки
Дата издания:
01-01-92
Дата введения в действие:
01-01-70
Дата завершения срока действия:
-
Применение и описание
Область и условия применения:
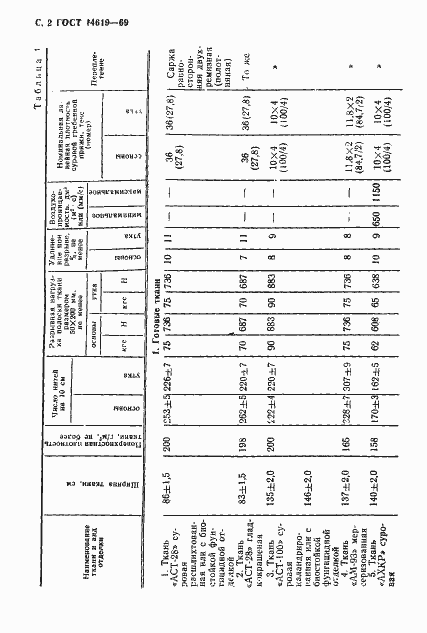
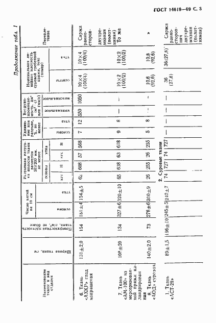
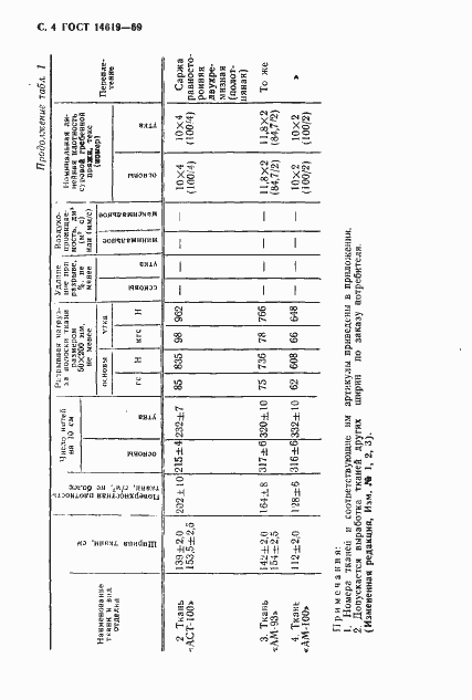
Настоящий стандарт распространяется на хлопчатобумажные технические ткани - суровые, расшлихтованные, гладкокрашеные и с отделкой, применяемые в авиационной промышленности для специальных целей
Связи и замены
Заменяющий:
-
Взамен:
ГОСТ 1883-46;ГОСТ 1877-46;ГОСТ 2328-43
Взамен в части:
ГОСТ 1102-43 в части ткани АСТ-28
Изменения и переиздания
Список изменений:
№1 от (рег. ) «Срок действия продлен» №2 от (рег. ) «Срок действия продлен» №3 от (рег. ) «Срок действия продлен»
Описание стандарта
ГОСТ 14619-69 Ткани хлопчатобумажные технические для авиационной промышленности. Технические условия
Страницы стандарта














