ГОСТ 20715-75 Ткани полиамидные технические для клиновых ремней. Технические условия
ГОСТ
Скачать ГОСТ в PDF или DOC бесплатно
Основная информация
Обозначение:
ГОСТ 20715-75
Статус:
Действует
Тип:
ГОСТ
Название русское:
Ткани полиамидные технические для клиновых ремней. Технические условия
Название английское:
Polyamid industrial fabrics for wedge belts. Specifications
Даты и сроки
Дата издания:
05-07-75
Дата введения в действие:
06-30-76
Дата завершения срока действия:
-
Применение и описание
Область и условия применения:
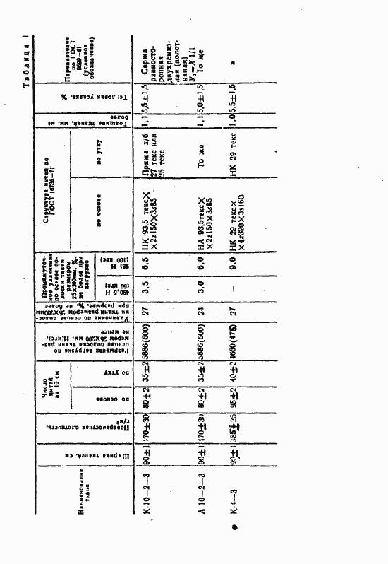
Настоящий стандарт распространяется на суровые полиамидные технические ткани, предназначенные для изготовления клиновых ремней
Связи и замены
Заменяющий:
-
Изменения и переиздания
Список изменений:
№1 от (рег. ) «Срок действия продлен» №2 от (рег. ) «Срок действия продлен»
Описание стандарта
ГОСТ 20715-75 Ткани полиамидные технические для клиновых ремней. Технические условия
Страницы стандарта













