ГОСТ 25652-83 Материалы для одежды. Общие требования к способам ухода
ГОСТ
Скачать ГОСТ в PDF или DOC бесплатно
Основная информация
Обозначение:
ГОСТ 25652-83
Статус:
Действует
Тип:
ГОСТ
Название русское:
Материалы для одежды. Общие требования к способам ухода
Название английское:
Fabrics for qarments. General requirements for care means
Даты и сроки
Дата издания:
04-10-83
Дата введения в действие:
01-01-84
Дата завершения срока действия:
-
Применение и описание
Область и условия применения:
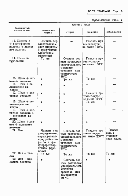
Настоящий стандарт устанавливает требования к обработке материалов для одежды (ткани из всех видов волокон, материалы, натуральный и искусственный мех, искусственная кожа) при химчистке, стирке, глажении и отбеливании. Стандарт не распространяется на ткани и материалы специального назначения
Связи и замены
Заменяющий:
-
Изменения и переиздания
Список изменений:
№0 от (рег. ) «Срок действия продлен»
Описание стандарта
ГОСТ 25652-83 Материалы для одежды. Общие требования к способам ухода
Страницы стандарта











