ГОСТ Р 57584-2017 Материалы текстильные. Методы испытаний нетканых материалов. Часть 13. Определение времени повторного проникания жидкости
ГОСТ Р
Скачать ГОСТ в PDF или DOC бесплатно
Основная информация
Обозначение:
ГОСТ Р 57584-2017
Статус:
Действует
Тип:
ГОСТ Р
Название русское:
Материалы текстильные. Методы испытаний нетканых материалов. Часть 13. Определение времени повторного проникания жидкости
Название английское:
Textile. Test methods for nonwovens. Part 13. Determination of repeated liquid strike-through time
Даты и сроки
Дата издания:
08-21-17
Дата введения в действие:
06-01-18
Дата завершения срока действия:
-
Применение и описание
Область и условия применения:
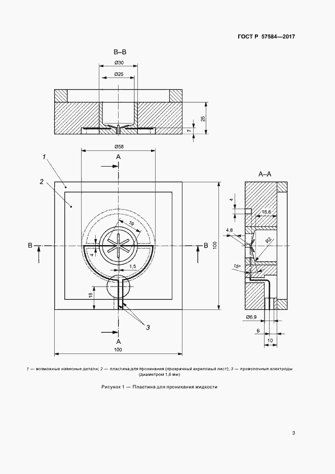
Настоящий стандарт устанавливает метод испытания для определения времени проникания (strike-through time - STT) каждой из трех последовательных порций жидкости (имитированная моча) сквозь поверхность образца покрытия из нетканого материала. STT определяют как время, необходимое для проникания заданного объема жидкости через нетканый материал, контактирующий с лежащей под ним сухой эталонной абсорбирующей прокладкой. Данный метод предназначен для контроля качества и сравнения STT для различных покрытий из нетканых материалов. Этот метод не имитирует реальные условия для готовых изделий
Связи и замены
Заменяющий:
-
Описание стандарта
ГОСТ Р 57584-2017 Материалы текстильные. Методы испытаний нетканых материалов. Часть 13. Определение времени повторного проникания жидкости
Страницы стандарта










