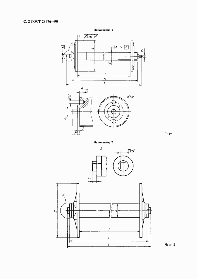
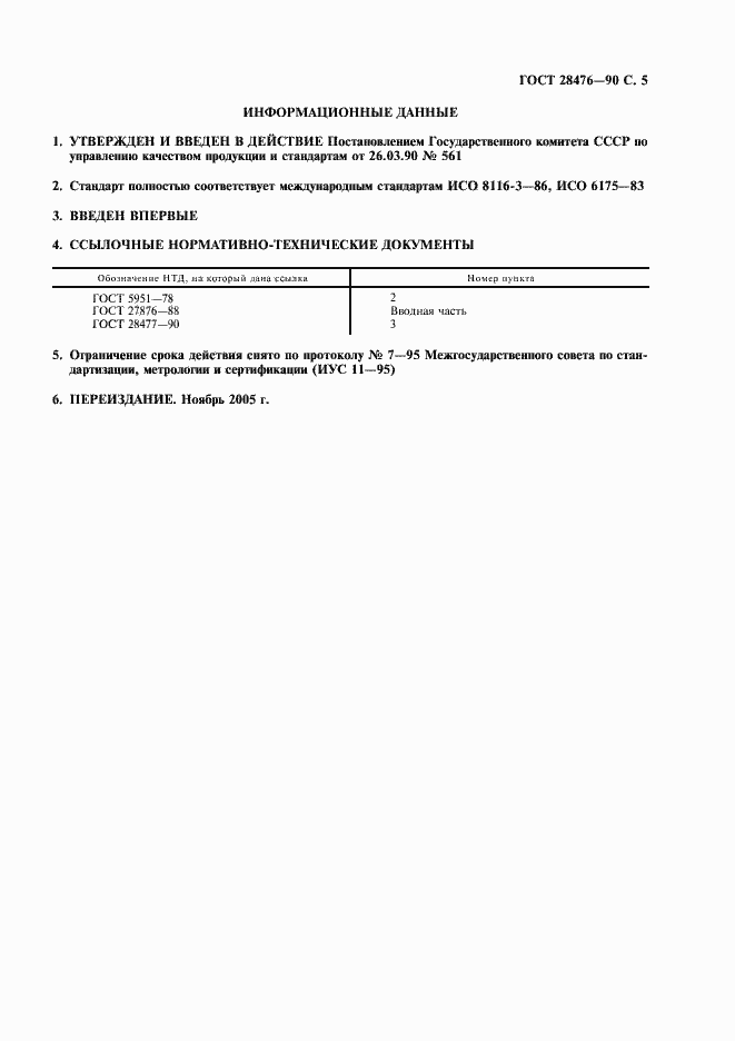
ГОСТ 28476-90 Навои. Основные размеры
ГОСТ
Скачать ГОСТ в PDF или DOC бесплатно
Основная информация
Обозначение:
ГОСТ 28476-90
Статус:
Действует
Тип:
ГОСТ
Название русское:
Навои. Основные размеры
Название английское:
Beams. Main dimensions
Даты и сроки
Дата издания:
11-01-05
Дата введения в действие:
01-01-93
Дата завершения срока действия:
-
Применение и описание
Область и условия применения:
Настоящий стандарт распространяется на навои, применяемые в приготовительно-ткацком, ткацком и других текстильных производствах
Связи и замены
Заменяющий:
-
Описание стандарта
ГОСТ 28476-90 Навои. Основные размеры
Страницы стандарта






