ГОСТ ISO 2418-2013 Кожа. Химические, физические и механические испытания и испытания на устойчивость. Установление места отбора проб
ГОСТ ИСО
Скачать ГОСТ в PDF или DOC бесплатно
Основная информация
Обозначение:
ГОСТ ISO 2418-2013
Статус:
Заменен
Тип:
ГОСТ ИСО
Название русское:
Кожа. Химические, физические и механические испытания и испытания на устойчивость. Установление места отбора проб
Название английское:
Leather. Chemical, physical and mechanical and fastness tests. Sampling location
Даты и сроки
Дата регистрации:
12-27-13
Дата издания:
11-01-14
Дата введения в действие:
07-01-15
Дата завершения срока действия:
06-01-25
Применение и описание
Область и условия применения:
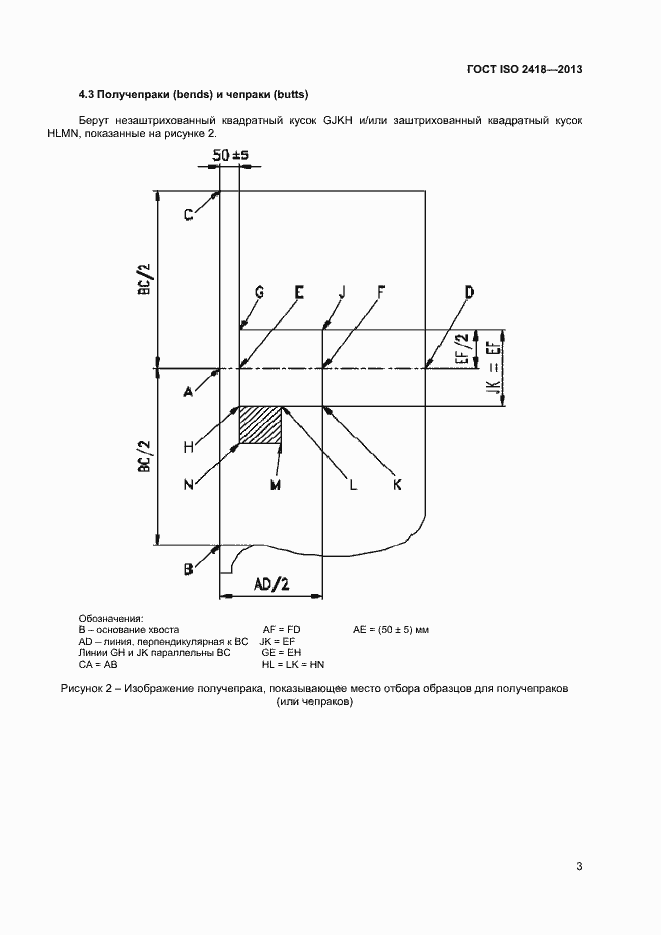
Настоящий стандарт устанавливает место отбора лабораторного образца на коже, метод его маркировки и клеймения для последующей идентификации. Стандарт применим ко всем типам изделий, изготовленным из кожи млекопитающих, независимо от способа дубления. Стандарт не применим к изделиям, изготовленным из кожи птиц, рыб и рептилий
Связи и замены
Заменяющий:
ГОСТ ISO 2418-2024
Описание стандарта
ГОСТ ISO 2418-2013 Кожа. Химические, физические и механические испытания и испытания на устойчивость. Установление места отбора проб
Страницы стандарта







