ГОСТ 26456.0-89 Фигуры типовые. Размерные признаки для проектирования чулочно-носочных изделий. Фигуры мужчин
ГОСТ
Скачать ГОСТ в PDF или DOC бесплатно
Основная информация
Обозначение:
ГОСТ 26456.0-89
Статус:
Действует
Тип:
ГОСТ
Название русское:
Фигуры типовые. Размерные признаки для проектирования чулочно-носочных изделий. Фигуры мужчин
Название английское:
Standard figures. Measurements for socks and stockings projection. Men`s figures
Даты и сроки
Дата издания:
06-07-90
Дата введения в действие:
01-01-91
Дата завершения срока действия:
-
Применение и описание
Область и условия применения:
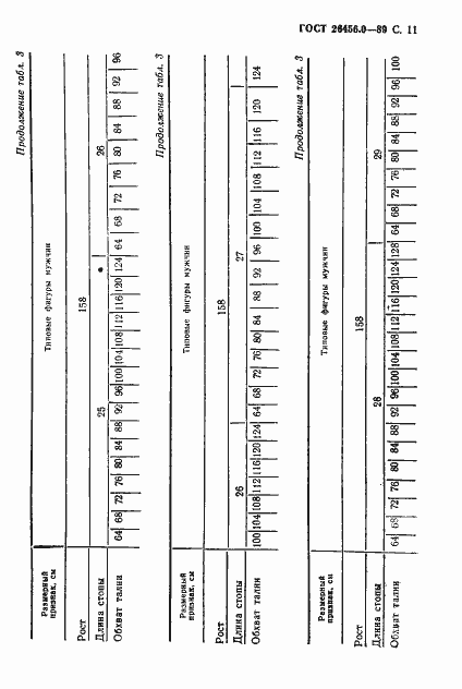
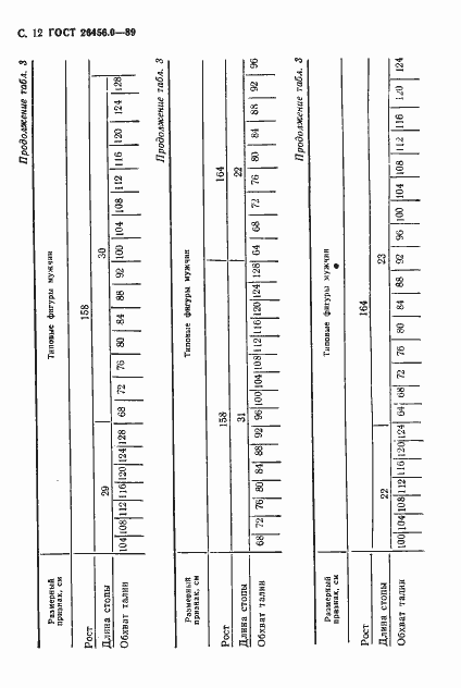
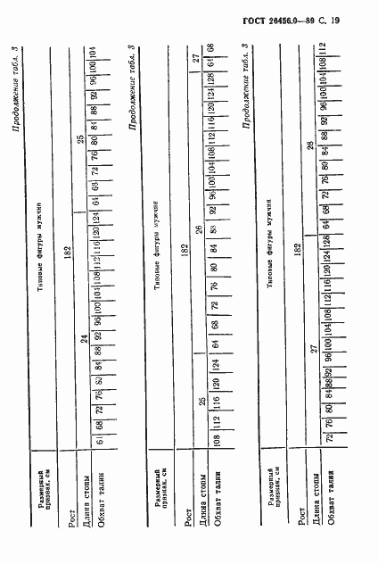
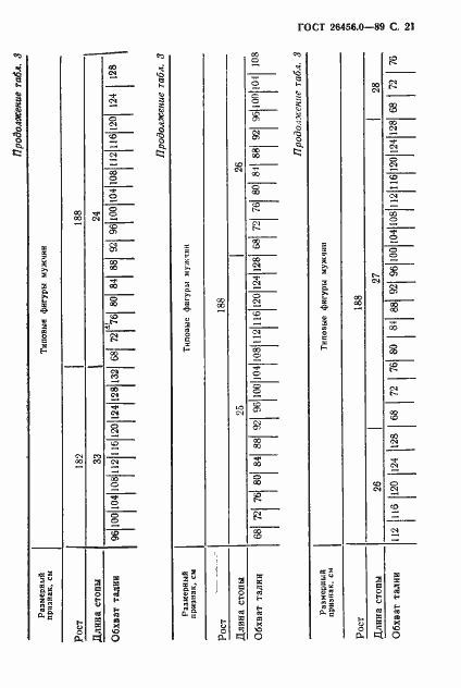
Настоящий стандарт распространяется на типовые фигуры мужчин. Стандарт предназначен для промышленного проектирования чулочно-носочных изделий
Связи и замены
Заменяющий:
-
Взамен в части:
ГОСТ 11215-65 в части типовых фигур мужчин
Изменения и переиздания
Список изменений:
№1 от (рег. ) «Срок действия продлен»
Описание стандарта
ГОСТ 26456.0-89 Фигуры типовые. Размерные признаки для проектирования чулочно-носочных изделий. Фигуры мужчин
Страницы стандарта
























































































































































































































































































































































