ГОСТ Р 50268-92 Юбки форменные женские. Технические условия
ГОСТ Р
Скачать ГОСТ в PDF или DOC бесплатно
Основная информация
Обозначение:
ГОСТ Р 50268-92
Статус:
Действует
Тип:
ГОСТ Р
Название русское:
Юбки форменные женские. Технические условия
Название английское:
Uniform women`s skirts. Specifications
Даты и сроки
Дата издания:
12-10-92
Дата введения в действие:
01-01-94
Дата завершения срока действия:
-
Применение и описание
Область и условия применения:
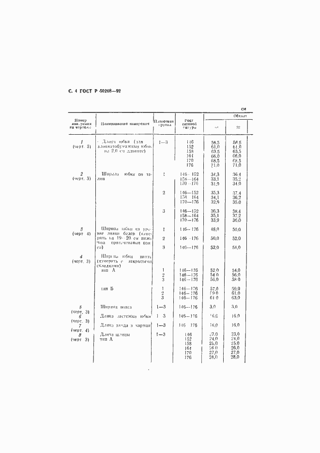
Настоящий стандарт распространяется на юбки форменные женские, поставляемые по специальным заказам
Связи и замены
Заменяющий:
-
Взамен:
ОСТ 17-936-83
Описание стандарта
ГОСТ Р 50268-92 Юбки форменные женские. Технические условия
Страницы стандарта



























