ГОСТ 4.139-85 Система показателей качества продукции. Преобразователи электроэнергии полупроводниковые. Номенклатура показателей
ГОСТ
Скачать ГОСТ в PDF или DOC бесплатно
Основная информация
Обозначение:
ГОСТ 4.139-85
Статус:
Действует
Тип:
ГОСТ
Название русское:
Система показателей качества продукции. Преобразователи электроэнергии полупроводниковые. Номенклатура показателей
Название английское:
System of product-quality indices. Semiconductor power converters. Nomenclature of indices
Даты и сроки
Дата издания:
11-25-85
Дата введения в действие:
01-01-87
Дата завершения срока действия:
-
Применение и описание
Область и условия применения:
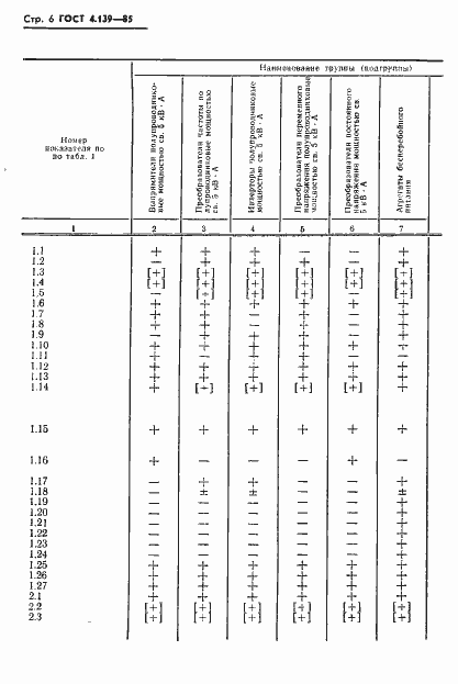
Стандарт устанавливает номенклатуру показателей качества полупроводниковых преобразователей электроэнергии, включаемых в стандарты с перспективными требованиями, ТЗ на ОКР, разрабатываемые и пересматриваемые стандарты на продукцию, технические условия (ТУ), карты технического уровня и качества продукции (КУ). Стандарт распространяется на следующие группы однородной продукции: преобразователи электроэнергии полупроводниковые силовые мощностью до 5 кВ.А включительно; выпрямители полупроводниковые мощностью свыше 5 кВ.А; преобразователи частоты полупроводниковые мощностью свыше 5 кВ.А ; нверторы полупроводниковые мощностью свыше 5 кВ.А; преобразователи переменного напряжения полупроводниковые мощностью свыше 5 кВ.А; преобразователи постоянного напряжения полупроводниковые мощностью свыше 5 кВ.А; агрегаты бесперебойного питания
Связи и замены
Заменяющий:
-
Описание стандарта
ГОСТ 4.139-85 Система показателей качества продукции. Преобразователи электроэнергии полупроводниковые. Номенклатура показателей
Страницы стандарта














