ГОСТ 4.316-85 Система показателей качества продукции. Трансформаторы силовые, нулевого габарита, измерительные. Подстанции комплектные трансформаторные. Вводы высоковольтные. Номенклатура показателей
ГОСТ
Скачать ГОСТ в PDF или DOC бесплатно
Основная информация
Обозначение:
ГОСТ 4.316-85
Статус:
Действует
Тип:
ГОСТ
Название русское:
Система показателей качества продукции. Трансформаторы силовые, нулевого габарита, измерительные. Подстанции комплектные трансформаторные. Вводы высоковольтные. Номенклатура показателей
Название английское:
System of product-quality indices. Power, small, measuring transformer. Complete transformer substations. High-voltage bushings. Nomenclature of indices
Даты и сроки
Дата издания:
12-29-85
Дата введения в действие:
06-30-86
Дата завершения срока действия:
-
Применение и описание
Область и условия применения:
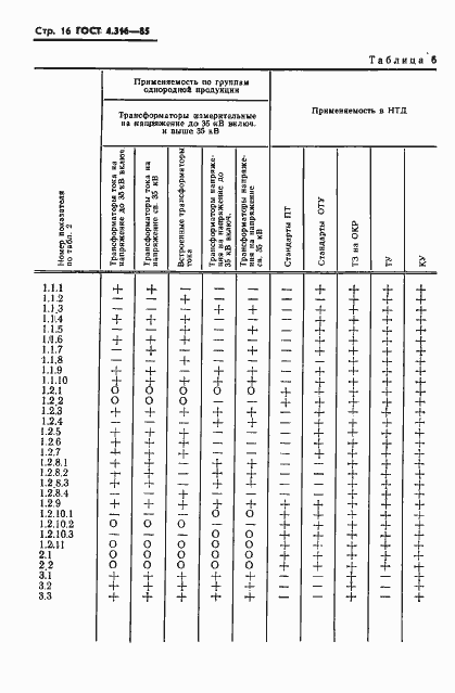
Стандарт устанавливает номенклатуру показателей качества трансформаторов, комплектных трансформаторных подстанций (КТП), вводов высоковольтных, включаемых в технические задания на опытно-конструкторские работы (ТЗ на ОКР), технические условия (ТУ), карты технического уровня и качества продукции (КУ), разрабатываемые и пересматриваемые стандарты на продукцию вида общие технические условня (стандарты ОТУ), а также номенклатуру основных показателей качества, включаемых в государственные стандарты перспективных требований на группы однородной продукции
Связи и замены
Заменяющий:
-
Описание стандарта
ГОСТ 4.316-85 Система показателей качества продукции. Трансформаторы силовые, нулевого габарита, измерительные. Подстанции комплектные трансформаторные. Вводы высоковольтные. Номенклатура показателей
Страницы стандарта

























