ГОСТ 11008-64 Солома конопляная. Технические условия
ГОСТ
Скачать ГОСТ в PDF или DOC бесплатно
Основная информация
Обозначение:
ГОСТ 11008-64
Статус:
Действует
Тип:
ГОСТ
Название русское:
Солома конопляная. Технические условия
Название английское:
Hemp straw. Specifications
Даты и сроки
Дата издания:
05-01-82
Дата введения в действие:
06-30-73
Дата завершения срока действия:
-
Применение и описание
Область и условия применения:
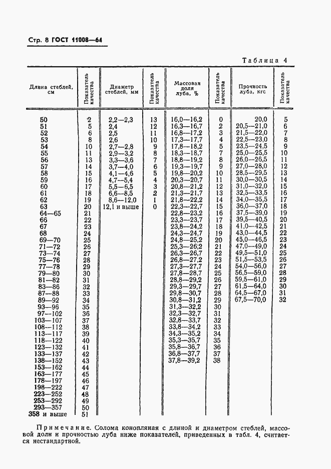
Настоящий стандарт распространяется на солому конеопли семенных изеленцовых посевов, выращенную в зоне среднерусского коноплесеяния и солому южной семенной конопли
Связи и замены
Заменяющий:
-
Взамен:
ОСТ КЗ СНК 6123/192;ОСТ КЗ СНК 8430/255;ОСТ НКЗаг 454
Заменяющий в части:
ГОСТ 27024-86 в части требований к конопляной соломе, заготовляемой пенькозаводами, перечень которых утверждается Госагропромом СССР
Изменения и переиздания
Список изменений:
№2 от (рег. ) «Срок действия продлен» №3 от (рег. ) «Срок действия продлен» №4 от (рег. ) «Срок действия продлен» №5 от (рег. ) «Срок действия продлен»
Описание стандарта
ГОСТ 11008-64 Солома конопляная. Технические условия
Страницы стандарта














