ГОСТ 4.345-85 Система показателей качества продукции. Камни часовые и технические. Номенклатура показателей
ГОСТ
Скачать ГОСТ в PDF или DOC бесплатно
Основная информация
Обозначение:
ГОСТ 4.345-85
Статус:
Действует
Тип:
ГОСТ
Название русское:
Система показателей качества продукции. Камни часовые и технические. Номенклатура показателей
Название английское:
System of product-quality indices. Watch and industrial jewels. Nomenclature of indices
Даты и сроки
Дата издания:
02-12-86
Дата введения в действие:
01-01-87
Дата завершения срока действия:
-
Применение и описание
Область и условия применения:
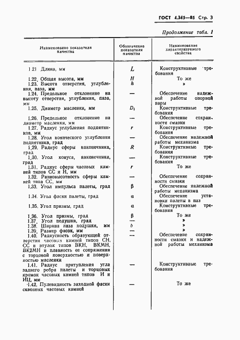
Настоящий стандарт устанавливает номенклатуру показателей качества часовых и технических камней, включаемых в ТЗ на НИР по определению перспектив развития этой продукции, государственный стандарт с перспективными требованиями, а также номенклатуру показателей качества, включаемых в разрабатываемые стандарты на часовые и технические камни, ТЗ на ОКР, технические условия, карты технического уровня и качества продукции
Связи и замены
Заменяющий:
-
Описание стандарта
ГОСТ 4.345-85 Система показателей качества продукции. Камни часовые и технические. Номенклатура показателей
Страницы стандарта














