ГОСТ 4.381-85 Система показателей качества продукции. Средства моющие синтетические. Номенклатура показателей
ГОСТ
Скачать ГОСТ в PDF или DOC бесплатно
Основная информация
Обозначение:
ГОСТ 4.381-85
Статус:
Действует
Тип:
ГОСТ
Название русское:
Система показателей качества продукции. Средства моющие синтетические. Номенклатура показателей
Название английское:
System of product quality indices. Synthetic detergents. Nomenclature of indices
Даты и сроки
Дата издания:
02-19-86
Дата введения в действие:
01-01-87
Дата завершения срока действия:
-
Применение и описание
Область и условия применения:
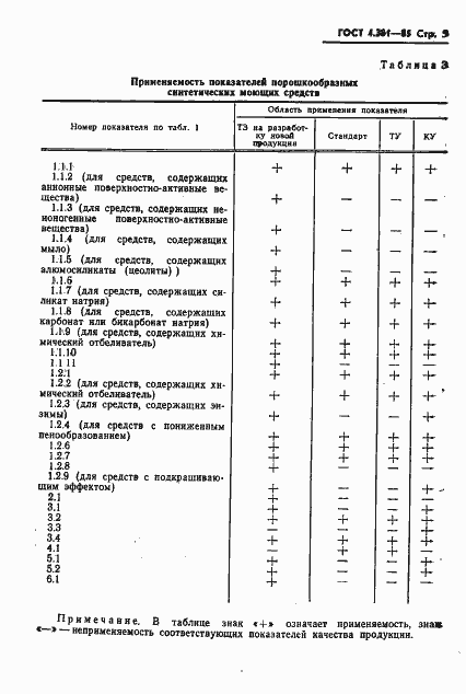
Настоящий стандарт устанавливает номенклатуру основных показателей качества пеномоющих, порошкообразных, пастообразных и жидких синтетических моющих средств бытового назначения, включаемых в ТЗ на разработку новой продукции, а также показатели качества, включаемые в разрабатываемые и пересматриваемые стандарты на продукцию, технические условия, карты технического уровня и качества продукции
Связи и замены
Заменяющий:
-
Описание стандарта
ГОСТ 4.381-85 Система показателей качества продукции. Средства моющие синтетические. Номенклатура показателей
Страницы стандарта









