ГОСТ 4.393-85 Система показателей качества продукции. Автопогрузчики вилочные общего назначения. Номенклатура показателей
ГОСТ
Скачать ГОСТ в PDF или DOC бесплатно
Основная информация
Обозначение:
ГОСТ 4.393-85
Статус:
Действует
Тип:
ГОСТ
Название русское:
Система показателей качества продукции. Автопогрузчики вилочные общего назначения. Номенклатура показателей
Название английское:
Product-quality index system. General-purpose fork-lift trucks. Index nomenclature
Даты и сроки
Дата издания:
03-05-86
Дата введения в действие:
01-01-87
Дата завершения срока действия:
-
Применение и описание
Область и условия применения:
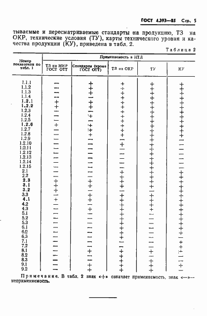
Настоящий стандарт устанавливает номенклатуру основных показателей качества вилочных автопогрузчиков общего назначения, включаемых в ТЗ на НИР по определению перспектив развития этой группы, государственный стандарт с перспективными требованиями, а также номенклатуру показателей качества, включаемых в разрабатываемые и пересматриваемые стандарты на продукцию, ТЗ на ОКР, технические условия, карты технического уровня и качества продукции
Связи и замены
Заменяющий:
-
Изменения и переиздания
Список изменений:
№1 от (рег. ) «Срок действия продлен» №2 от (рег. ) «Срок действия продлен»
Описание стандарта
ГОСТ 4.393-85 Система показателей качества продукции. Автопогрузчики вилочные общего назначения. Номенклатура показателей
Страницы стандарта















