ГОСТ 4.465-87 Система показателей качества продукции. Микросхемы интегральные. Номенклатура показателей
ГОСТ
Скачать ГОСТ в PDF или DOC бесплатно
Основная информация
Обозначение:
ГОСТ 4.465-87
Статус:
Действует
Тип:
ГОСТ
Название русское:
Система показателей качества продукции. Микросхемы интегральные. Номенклатура показателей
Название английское:
Product-quality index system. Integratet circuits. Index nomenclature
Даты и сроки
Дата издания:
11-01-87
Дата введения в действие:
01-01-88
Дата завершения срока действия:
-
Применение и описание
Область и условия применения:
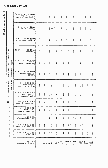
Настоящий стандарт устанавливает номенклатуру основных показателей качества интегральных микросхем, включаемых в технические задания на научно-исследовательские работы (ТЗ на НИР) по определению перспектив развития этой группы, государственный стандарт с перспективными требованиями, а также номенклатуру показателей качества, включаемых в разрабатываемые и пересматриваемые стандарты на продукцию, технические задания на опытно-конструкторские работы (ТЗ на ОКР), технические условия (ТУ), карты технического уровня и качества продукции (КУ)
Связи и замены
Заменяющий:
-
Описание стандарта
ГОСТ 4.465-87 Система показателей качества продукции. Микросхемы интегральные. Номенклатура показателей
Страницы стандарта




































