ГОСТ Р 50696-2006 Приборы газовые бытовые для приготовления пищи. Общие технические требования и методы испытаний
ГОСТ Р
Скачать ГОСТ в PDF или DOC бесплатно
Основная информация
Обозначение:
ГОСТ Р 50696-2006
Статус:
Отменен
Тип:
ГОСТ Р
Название русское:
Приборы газовые бытовые для приготовления пищи. Общие технические требования и методы испытаний
Название английское:
Domestic cooking appliances burning gas. General technical requirements and test methods
Даты и сроки
Дата издания:
07-04-06
Дата введения в действие:
01-01-07
Дата завершения срока действия:
07-01-18
Применение и описание
Область и условия применения:
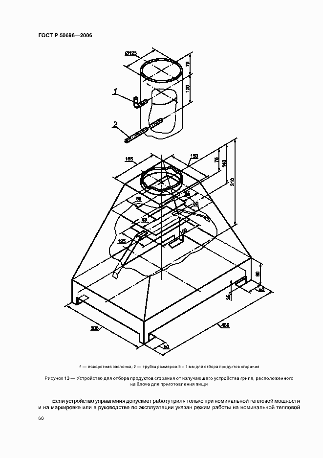
Настоящий стандарт распространяется на бытовые газовые приборы для приготовления пищи и устанавливает требования к отдельно стоящим и встраиваемым приборам, работающим на природном или сжиженном углеводородном газе. Настоящий стандарт распространяется на следующие приборы: - блоки для приготовления пищи; - встраиваемые блоки для приготовления пищи; - блоки для приготовления пищи с устройством гриля: - настольные плиты; - настольные духовки; - встраиваемые духовки; - устройства гриля отдельно стоящие или встраиваемые; - контактные устройства гриля; - отдельно стоящие плиты; - встраиваемые плиты. Стандарт распространяется на приборы в целом и на отдельные их блоки, применяемые самостоятельно или в комбинации друг с другом, использующие один или несколько видов энергии (газовые или газоэлектрические). Стандарт устанавливает требования электрической безопасности деталей приборов, используемых в комбинации для работы с газом, и не устанавливает требования безопасности электрических нагревательных элементов и связанных с ними деталей. Стандарт не распространяется на: - приборы, работающие на открытом воздухе (туристские); - приборы с отводом продуктов сгорания в дымоход; - приборы с пиролитической духовкой; - приборы с устройством контроля пламени, оснащенные автоматическим устройством зажигания, время зажигания которого ограничено; - приборы с электрическим регулятором температуры, управляющим работой горелки духовки путем ее включения и выключения, для обеспечения заданного температурного режима; - приборы, оснащенные вентилятором для подачи воздуха на горение и удаления или циркуляции смеси продуктов сгорания с воздухом; - приборы с закрытым отделением, в котором могут работать горелка и электрический нагревательный элемент. Стандарт не устанавливает требования к баллонам для сжиженных газов и регуляторам давления газа для них
Связи и замены
Заменяющий:
-
Взамен:
ГОСТ Р 50696-94
Заменяющий в части:
ГОСТ Р 54450-2011 в части разделов 9 и 10
Изменения и переиздания
Список изменений:
№0 от (рег. ) «Текстовое изменение; Изменено заглавие»
Описание стандарта
ГОСТ Р 50696-2006 Приборы газовые бытовые для приготовления пищи. Общие технические требования и методы испытаний
Страницы стандарта
















































































