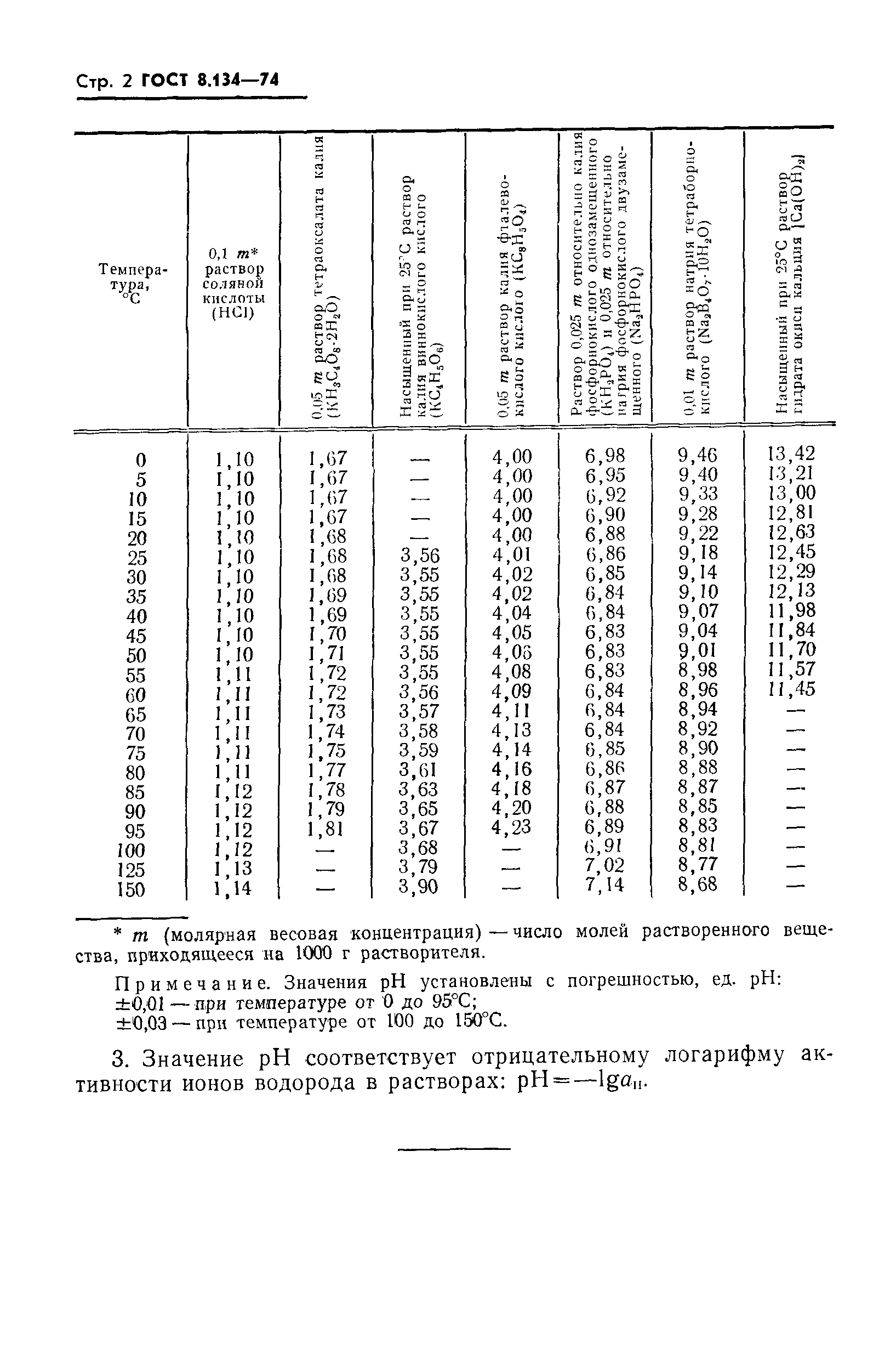
ГОСТ 8.134-74 Государственная система обеспечения единства измерений. Шкала pH водных растворов
ГОСТ
Скачать ГОСТ в PDF или DOC бесплатно
Основная информация
Обозначение:
ГОСТ 8.134-74
Статус:
Заменен
Тип:
ГОСТ
Название русское:
Государственная система обеспечения единства измерений. Шкала pH водных растворов
Название английское:
PH scale for aqueous solutions
Даты и сроки
Дата издания:
02-18-75
Дата введения в действие:
06-30-76
Дата завершения срока действия:
07-01-99
Связи и замены
Заменяющий:
ГОСТ 8.134-98
Взамен:
ГОСТ 10170-62
Изменения и переиздания
Список изменений:
№1 от (рег. ) «Срок действия продлен»
Описание стандарта
ГОСТ 8.134-74 Государственная система обеспечения единства измерений. Шкала pH водных растворов
Страницы стандарта





