ГОСТ 27802-93 Глинозем. Метод определения угла естественного откоса
ГОСТ
Скачать ГОСТ в PDF или DOC бесплатно
Основная информация
Обозначение:
ГОСТ 27802-93
Статус:
Действует
Тип:
ГОСТ
Название русское:
Глинозем. Метод определения угла естественного откоса
Название английское:
Alumina. Method for the determination of repose angle
Даты и сроки
Дата регистрации:
10-21-93
Дата издания:
07-28-95
Дата введения в действие:
01-01-95
Дата завершения срока действия:
-
Применение и описание
Область и условия применения:
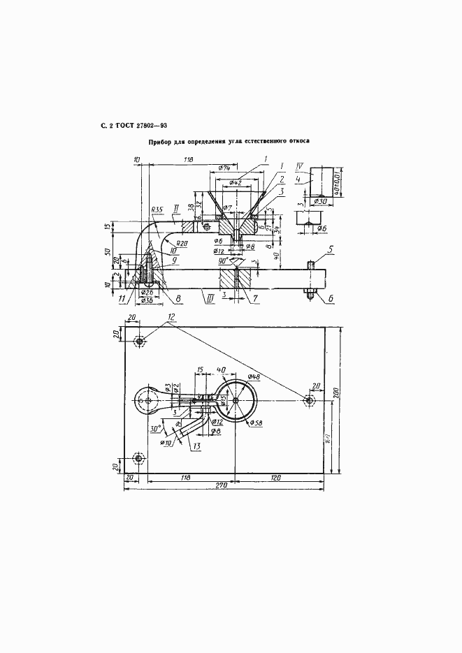
Настоящий стандарт распространяется на глинозем, предназначенный преимущественно для производства алюминия, и устанавливает метод определения угла естественного откоса
Связи и замены
Заменяющий:
-
Взамен:
ГОСТ 27802-88
Описание стандарта
ГОСТ 27802-93 Глинозем. Метод определения угла естественного откоса
Страницы стандарта







