ГОСТ ISO 3515-2017 Масло эфирное лавандовое (Lavandula angustifolia Mill.). Технические условия
ГОСТ ИСО
Скачать ГОСТ в PDF или DOC бесплатно
Основная информация
Обозначение:
ГОСТ ISO 3515-2017
Статус:
Действует
Тип:
ГОСТ ИСО
Название русское:
Масло эфирное лавандовое (Lavandula angustifolia Mill.). Технические условия
Название английское:
Essential Oil of lavender (Lavandula angustifolia Mill.). Specifications
Даты и сроки
Дата регистрации:
06-01-17
Дата издания:
04-23-19
Дата введения в действие:
07-01-18
Дата завершения срока действия:
-
Применение и описание
Область и условия применения:
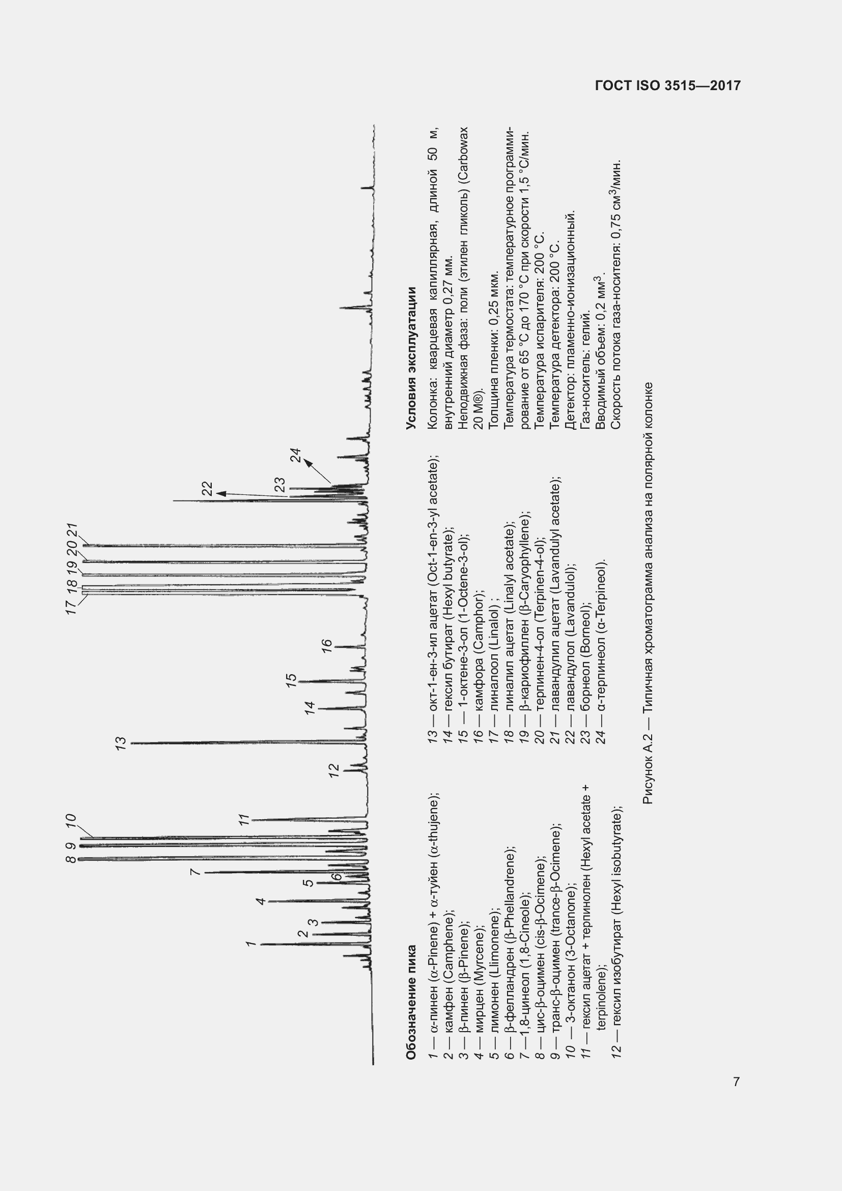
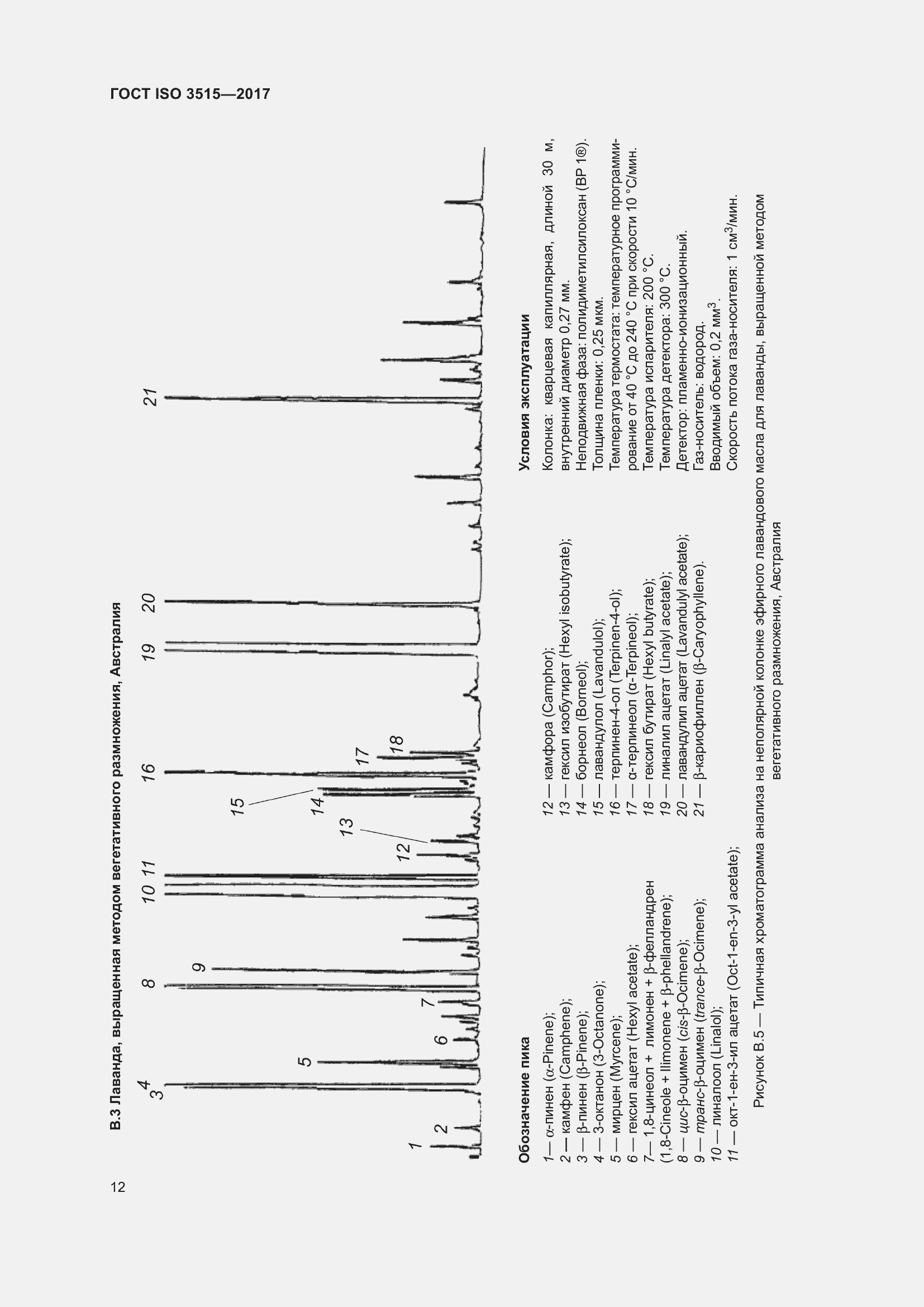
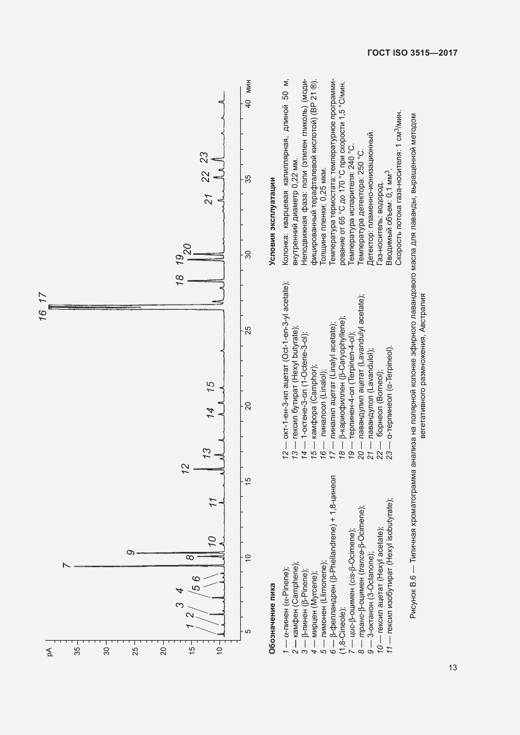
Настоящий стандарт устанавливает определенные характеристики эфирного масла дикорастущей лаванды (популяция лаванды во Франции) и лаванды, выращенной методом вегетативного размножения (Lavandula angustifolia Mill.), различного происхождения, чтобы облегчить оценку его качества
Связи и замены
Заменяющий:
-
Описание стандарта
ГОСТ ISO 3515-2017 Масло эфирное лавандовое (Lavandula angustifolia Mill.). Технические условия
Страницы стандарта



















