ГОСТ Р 50460-92 Знак соответствия при обязательной сертификации. Форма, размеры и технические требования
ГОСТ Р
Скачать ГОСТ в PDF или DOC бесплатно
Основная информация
Обозначение:
ГОСТ Р 50460-92
Статус:
Действует
Тип:
ГОСТ Р
Название русское:
Знак соответствия при обязательной сертификации. Форма, размеры и технические требования
Название английское:
Mark of conformity for mandatory certification. Form, dimensions and technical requirements
Даты и сроки
Дата издания:
09-30-20
Дата введения в действие:
06-30-93
Дата завершения срока действия:
-
Применение и описание
Область и условия применения:
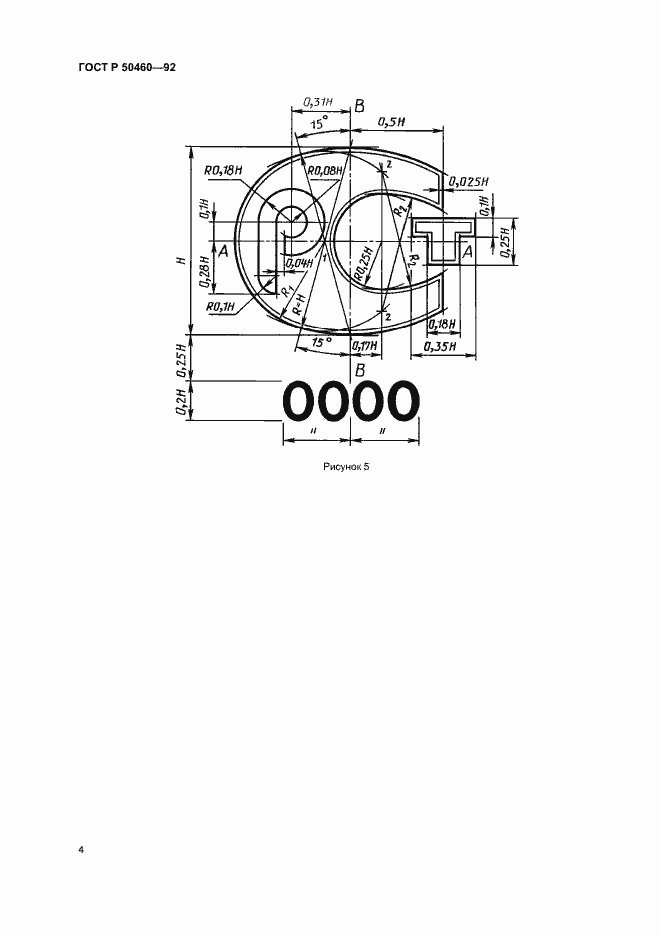
Настоящий стандарт устанавливает форму, размеры и технические требования к знаку соответствия (в том числе к знаку соответствия, защищенному от подделок), применяемому в Системе сертификации ГОСТ Р для указания соответствия маркированной им продукции, работ и услуг требованиям, предусмотренным для обязательного подтверждения соответствия
Связи и замены
Заменяющий:
-
Изменения и переиздания
Список изменений:
№1 от (рег. ) «Срок действия продлен» №2 от (рег. ) «Срок действия продлен» №3 от (рег. ) «Срок действия продлен»
Описание стандарта
ГОСТ Р 50460-92 Знак соответствия при обязательной сертификации. Форма, размеры и технические требования
Страницы стандарта








Приложение №3: Изменение №3 к ГОСТ Р 50460-92 Обозначение: Изменение №3 к ГОСТ Р 50460-92 Дата введения в действие: 01.07.2001
