ГОСТ 5984-80 Вещества взрывчатые. Методы определения бризантности
ГОСТ
Скачать ГОСТ в PDF или DOC бесплатно
Основная информация
Обозначение:
ГОСТ 5984-80
Статус:
Заменен
Тип:
ГОСТ
Название русское:
Вещества взрывчатые. Методы определения бризантности
Название английское:
Explosives. Methods for determination of brisance
Даты и сроки
Дата издания:
02-01-84
Дата введения в действие:
01-01-82
Дата завершения срока действия:
01-01-01
Применение и описание
Область и условия применения:
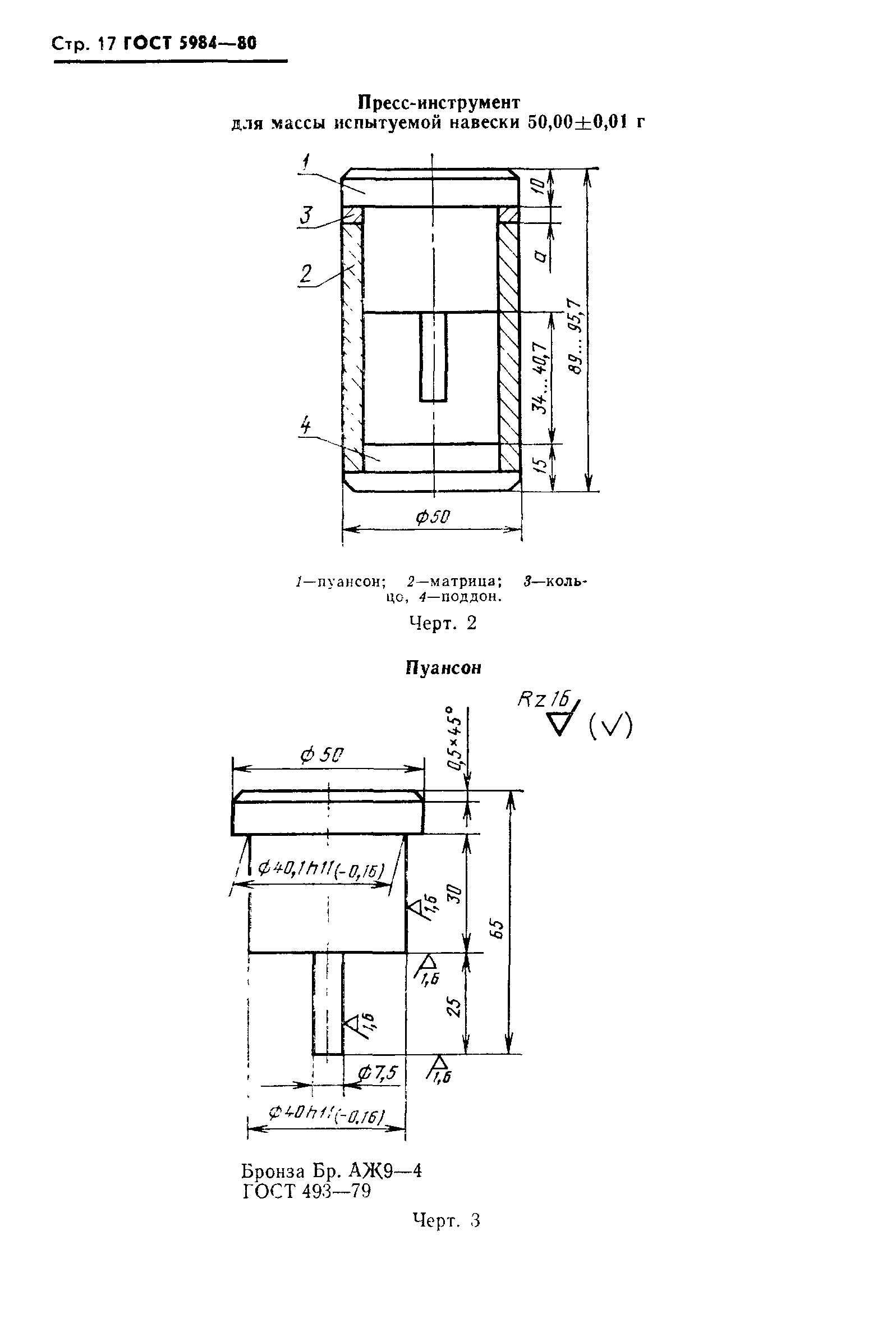
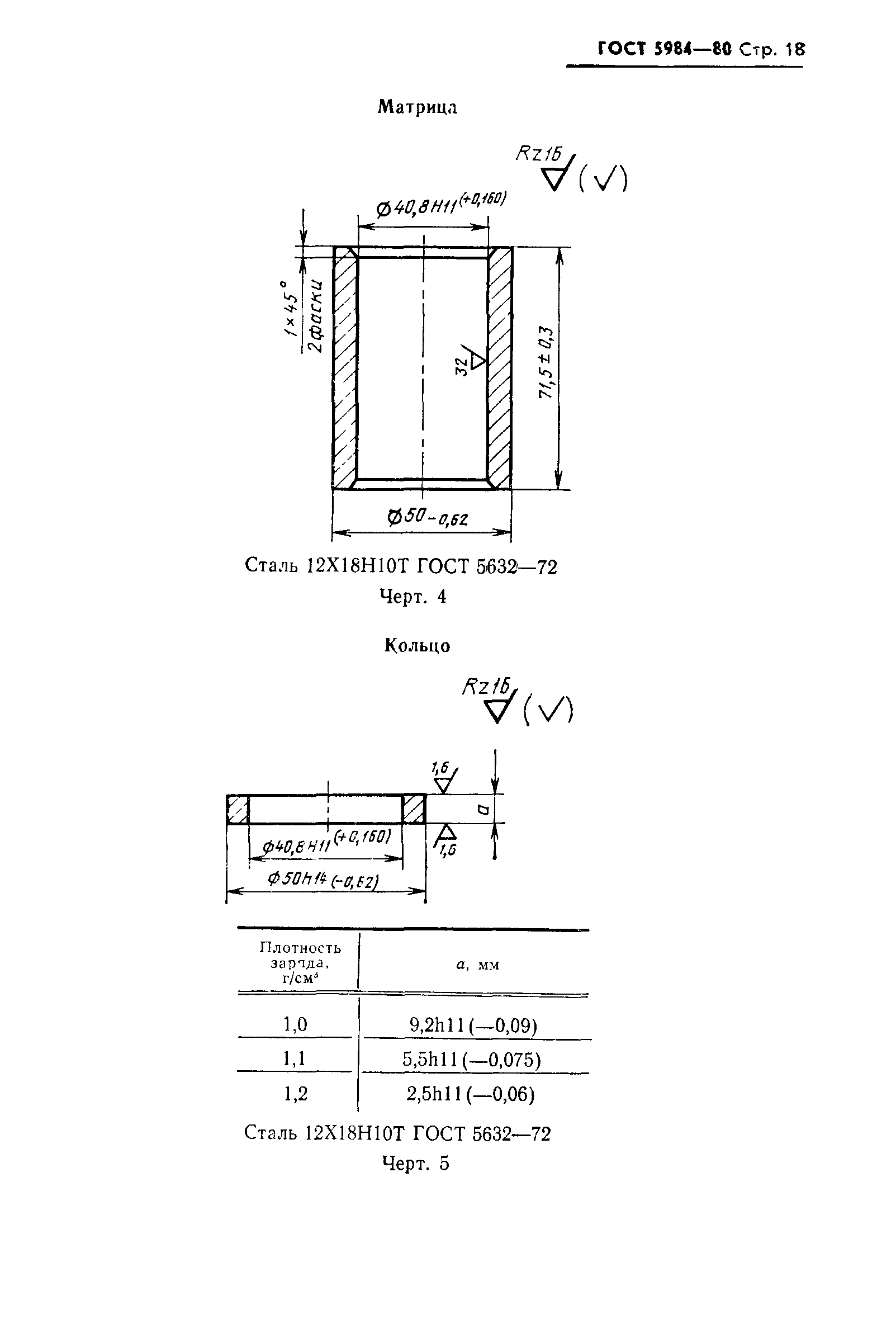
Настоящий стандарт устанавливает методы определения бризантности: по обжатию свинцовых цилиндров - для порошкообразных, гранулированных, литых, прессованных, пластичных, жидких и вязкотекучих индивидуальных взрывчатых веществ и смесей на их основе с критическим диаметром до 60 мм и по обжатию медных крешерных цилиндрических столбиков для ВВ с предельным диаметром детонации не более 20 мм
Связи и замены
Заменяющий:
ГОСТ 5984-99
Взамен:
ГОСТ 5984-51
Изменения и переиздания
Список изменений:
№1 от (рег. ) «Срок действия продлен»
Описание стандарта
ГОСТ 5984-80 Вещества взрывчатые. Методы определения бризантности
Страницы стандарта























