ГОСТ 26450.2-85 Породы горные. Метод определения коэффициента абсолютной газопроницаемости при стационарной и нестационарной фильтрации
ГОСТ
Скачать ГОСТ в PDF или DOC бесплатно
Основная информация
Обозначение:
ГОСТ 26450.2-85
Статус:
Действует
Тип:
ГОСТ
Название русское:
Породы горные. Метод определения коэффициента абсолютной газопроницаемости при стационарной и нестационарной фильтрации
Название английское:
Rocks. Method for determination of absolute gas permeability coefficient by stationary and non-stationary filtration
Даты и сроки
Дата издания:
06-14-85
Дата введения в действие:
06-30-86
Дата завершения срока действия:
-
Применение и описание
Область и условия применения:
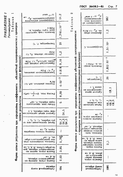
Настоящий стандарт распространяется на горные породы, насыщенные в природных условиях нефтью, газом или водой и устанавливает метод лабораторного определения коэффициента абсолютной газопроницаемости при стационарной и нестационарной фильтрации с линейным и радиальным направлением потока газа для получения информации о фильтрационных свойствах изучаемых пород
Связи и замены
Заменяющий:
-
Описание стандарта
ГОСТ 26450.2-85 Породы горные. Метод определения коэффициента абсолютной газопроницаемости при стационарной и нестационарной фильтрации
Страницы стандарта
















