ГОСТ Р 50779.75-99 Статистические методы. Последовательные планы выборочного контроля по альтернативному признаку
ГОСТ Р
Скачать ГОСТ в PDF или DOC бесплатно
Основная информация
Обозначение:
ГОСТ Р 50779.75-99
Статус:
Заменен
Тип:
ГОСТ Р
Название русское:
Статистические методы. Последовательные планы выборочного контроля по альтернативному признаку
Название английское:
Statistical methods. Sequential sampling plans for inspection by attributes
Даты и сроки
Дата издания:
11-01-02
Дата введения в действие:
07-01-00
Дата завершения срока действия:
12-01-12
Применение и описание
Область и условия применения:
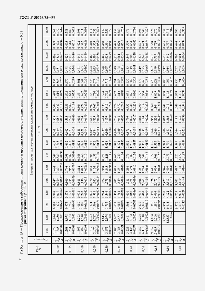
Настоящий стандарт устанавливает последовательные планы и процедуры выборочного контроля по альтернативному признаку партий штучной продукции
Связи и замены
Заменяющий:
ГОСТ Р ИСО 8422-2011
Описание стандарта
ГОСТ Р 50779.75-99 Статистические методы. Последовательные планы выборочного контроля по альтернативному признаку
Страницы стандарта












































