ГОСТ 9521-74 Угли каменные. Метод определения коксуемости
ГОСТ
Скачать ГОСТ в PDF или DOC бесплатно
Основная информация
Обозначение:
ГОСТ 9521-74
Статус:
Заменен
Тип:
ГОСТ
Название русское:
Угли каменные. Метод определения коксуемости
Название английское:
Coals. Method for the determination of coking property
Даты и сроки
Дата издания:
08-01-75
Дата введения в действие:
06-30-75
Дата завершения срока действия:
03-01-19
Применение и описание
Область и условия применения:
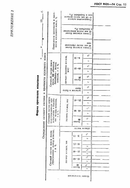
Настоящий стандарт распространяется на каменные угли и устанавливает метод определения коксуемости углей и их смесей. Сущность метода заключается в коксовании испытуемого угля или смеси углей в электропечи и в определении показателей физико-механических свойств кокса
Связи и замены
Заменяющий:
ГОСТ 9521-2017
Взамен:
ГОСТ 9521-65
Изменения и переиздания
Список изменений:
№1 от (рег. ) «Срок действия продлен»
Описание стандарта
ГОСТ 9521-74 Угли каменные. Метод определения коксуемости
Страницы стандарта















