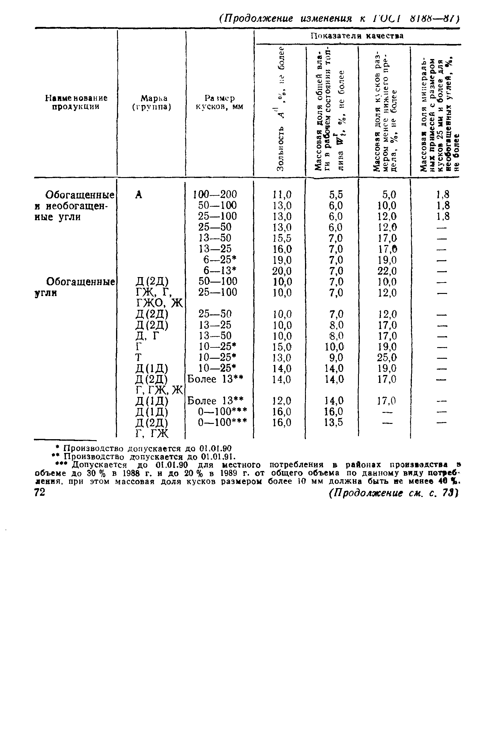
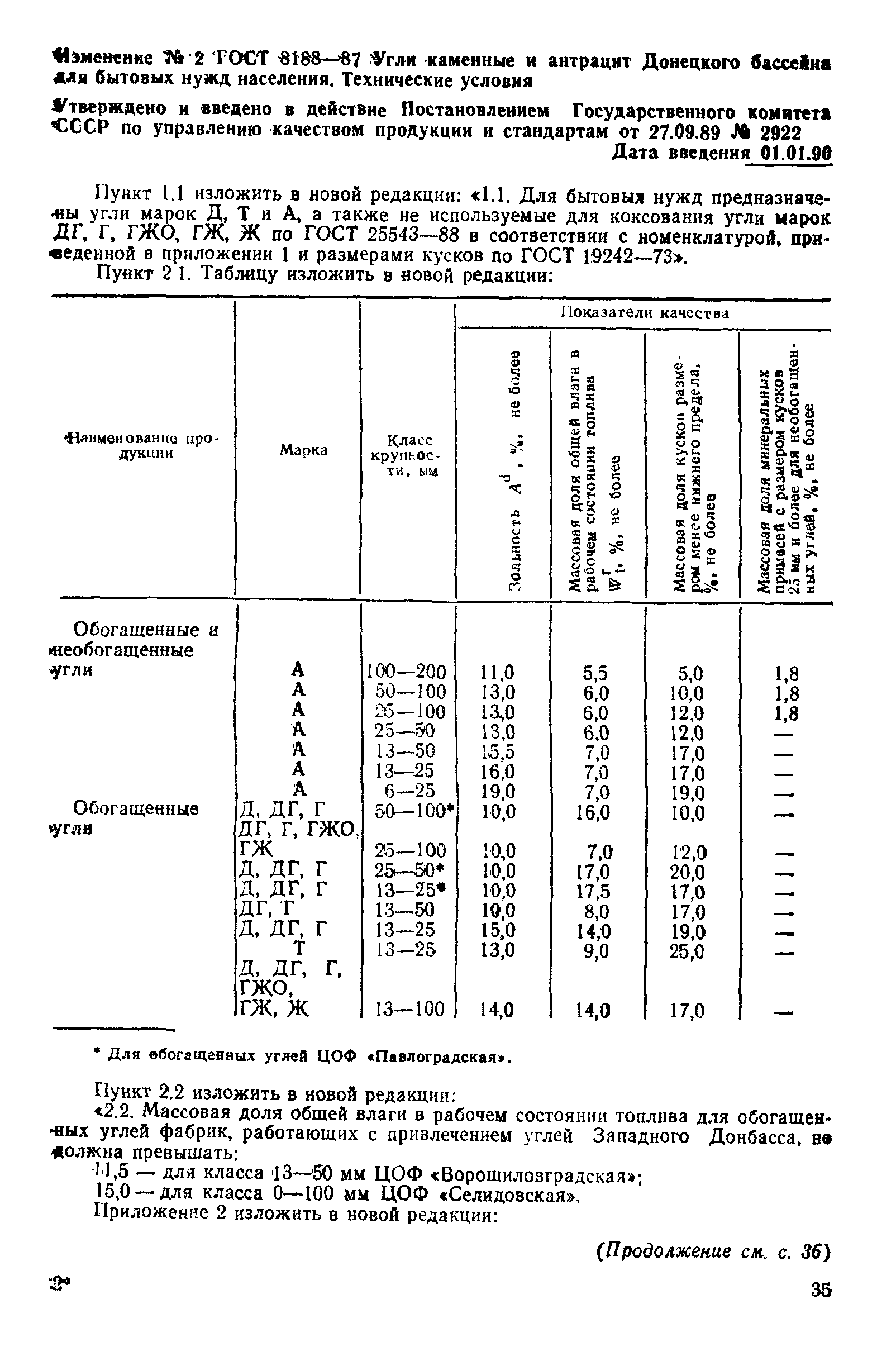
ГОСТ 8188-87 Угли каменные и антрацит Донецкого бассейна для бытовых нужд населения. Технические условия
ГОСТ
Скачать ГОСТ в PDF или DOC бесплатно
Основная информация
Обозначение:
ГОСТ 8188-87
Статус:
Отменен
Тип:
ГОСТ
Название русское:
Угли каменные и антрацит Донецкого бассейна для бытовых нужд населения. Технические условия
Название английское:
Hard coals аnd anthracite of Donetsк Basin for domestic needs. Specifications
Даты и сроки
Дата издания:
05-11-87
Дата введения в действие:
01-01-88
Дата завершения срока действия:
04-01-94
Применение и описание
Область и условия применения:
Настоящий стандарт распространяется на каменные угли и антрацит Донецкого бассейна, предназначенные для бытовых нужд населения, и не распространяется на угли, выделяемые по коллективным договорам работникам угольных предприятий, не имеющих сортировок
Связи и замены
Заменяющий:
-
Взамен:
ГОСТ 8188-74
Изменения и переиздания
Список изменений:
№1 от (рег. ) «Срок действия продлен» №2 от (рег. ) «Срок действия продлен» №3 от (рег. ) «Срок действия продлен» №4 от (рег. ) «Срок действия продлен»
Описание стандарта
ГОСТ 8188-87 Угли каменные и антрацит Донецкого бассейна для бытовых нужд населения. Технические условия
Страницы стандарта















