ГОСТ 27096-86 Стандартный образец грейзена GnА
ГОСТ
Скачать ГОСТ в PDF или DOC бесплатно
Основная информация
Обозначение:
ГОСТ 27096-86
Статус:
Действует
Тип:
ГОСТ
Название русское:
Стандартный образец грейзена GnА
Название английское:
Standard sample of greisen GnA
Даты и сроки
Дата издания:
01-22-87
Дата введения в действие:
01-01-87
Дата завершения срока действия:
-
Применение и описание
Область и условия применения:
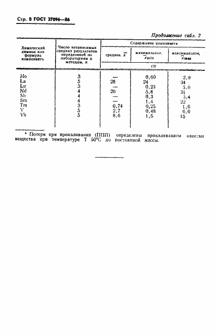
Настоящий стандарт распространяется на стандартный образец грейзена GnA, применяемый для аттестационных, арбитражных и контрольных анализов, для градуировки анализаторов состава, а также для метрологической оценки методов анализа, и устанавливает его аттестованный химический состав
Связи и замены
Заменяющий:
-
Описание стандарта
ГОСТ 27096-86 Стандартный образец грейзена GnА
Страницы стандарта











