ГОСТ 31371.6-2008 Газ природный. Определение состава методом газовой хроматографии с оценкой неопределенности. Часть 6. Определение водорода, гелия, кислорода, азота, диоксида углерода и углеводородов С1-С8 с использованием трех капиллярных колонок
ГОСТ
Скачать ГОСТ в PDF или DOC бесплатно
Основная информация
Обозначение:
ГОСТ 31371.6-2008
Статус:
Действует
Тип:
ГОСТ
Название русское:
Газ природный. Определение состава методом газовой хроматографии с оценкой неопределенности. Часть 6. Определение водорода, гелия, кислорода, азота, диоксида углерода и углеводородов С1-С8 с использованием трех капиллярных колонок
Название английское:
Natural gas. Determination of composition with defined uncertainty by gas chromatography method. Part 6. Determination of hydrogen, helium, oxygen, nitrogen, carbon dioxide and C1 to C8 hydrocarbons using three capillary columns
Даты и сроки
Дата регистрации:
06-06-08
Дата издания:
05-15-09
Дата введения в действие:
01-01-10
Дата завершения срока действия:
-
Применение и описание
Область и условия применения:
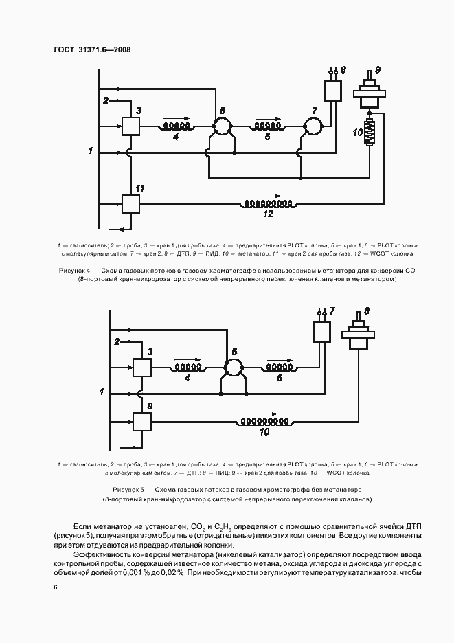
Настоящий стандарт устанавливает метод количественного газохроматографического определения содержания водорода, гелия, кислорода, азота, диоксида углерода и углеродов С1-С8 в пробах природного газа с использованием трех капиллярных колонок. Метод применим для анализа газов, содержащих компоненты в диапазонах молярной доли и обычно применяется в лабораторных условиях. Приведенные диапазоны ограничены областью, для которой оценена неопределенность, и могут быть уже, чем реализуемые на конкретных хроматографах. Метод может быть применен даже, если один или несколько компонентов в пробе этим методом не обнаруживаются. Метод также может быть применен к анализу имитаторов природного газа. Настоящий стандарт следует применять совместно с ГОСТ 31371.1 и ГОСТ 31371.2
Связи и замены
Заменяющий:
-
Описание стандарта
ГОСТ 31371.6-2008 Газ природный. Определение состава методом газовой хроматографии с оценкой неопределенности. Часть 6. Определение водорода, гелия, кислорода, азота, диоксида углерода и углеводородов С1-С8 с использованием трех капиллярных колонок
Страницы стандарта



















