ГОСТ ISO 2719-2013 Нефтепродукты. Методы определения температуры вспышки в закрытом тигле Пенски-Мартенса
ГОСТ ИСО
Скачать ГОСТ в PDF или DOC бесплатно
Основная информация
Обозначение:
ГОСТ ISO 2719-2013
Статус:
Заменен
Тип:
ГОСТ ИСО
Название русское:
Нефтепродукты. Методы определения температуры вспышки в закрытом тигле Пенски-Мартенса
Название английское:
Petroleum products. Methods for determination of flash point in Pensky-Martens closed cup
Даты и сроки
Дата регистрации:
11-05-13
Дата издания:
06-19-14
Дата введения в действие:
01-01-15
Дата завершения срока действия:
01-01-19
Применение и описание
Область и условия применения:
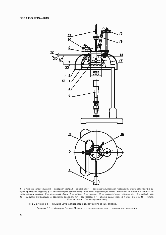
Настоящий стандарт устанавливает два метода (A и В) определения температуры вспышки горючих жидкостей, жидкостей, содержащих суспендированные твердые вещества, жидкостей, склонных к образованию пленки на поверхности в условиях испытания, и других жидкостей в аппарате Пенски-Мартенса с закрытым тиглем. Методы распространяются на жидкости, температура вспышки которых выше 40 °С
Связи и замены
Заменяющий:
ГОСТ ISO 2719-2017
Описание стандарта
ГОСТ ISO 2719-2013 Нефтепродукты. Методы определения температуры вспышки в закрытом тигле Пенски-Мартенса
Страницы стандарта























