ГОСТ 32330-2013 Масла смазочные. Определение потерь от испарения методом Ноак
ГОСТ
Скачать ГОСТ в PDF или DOC бесплатно
Основная информация
Обозначение:
ГОСТ 32330-2013
Статус:
Действует
Тип:
ГОСТ
Название русское:
Масла смазочные. Определение потерь от испарения методом Ноак
Название английское:
Lubricating oils. Determination of evaporating loss by Noack method
Даты и сроки
Дата регистрации:
10-18-13
Дата издания:
09-01-14
Дата введения в действие:
01-01-15
Дата завершения срока действия:
-
Применение и описание
Область и условия применения:
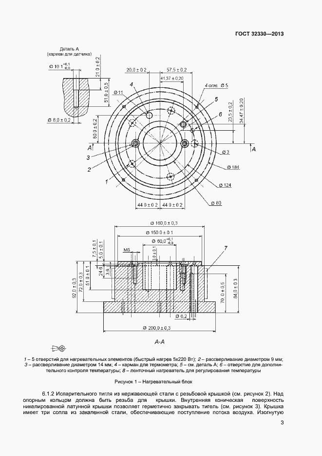
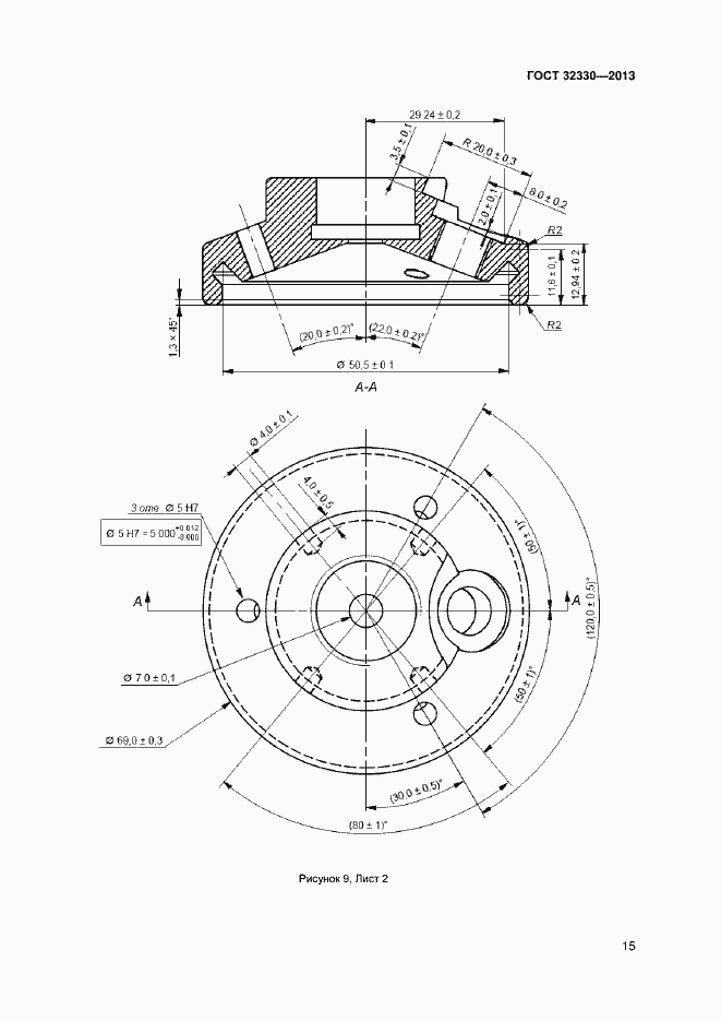
Настоящий стандарт устанавливает методы определения потерь от испарения смазочных масел (в т. ч. моторных): метод A - с использованием аппарата Ноак; метод B - с использованием автоматического аппарата Ноак без сплава Вуда; метод C - с использованием аппарата Селби-Ноак. Настоящий стандарт устанавливает требования к проведению испытаний, при необходимости их можно адаптировать к другим условиям
Связи и замены
Заменяющий:
-
Описание стандарта
ГОСТ 32330-2013 Масла смазочные. Определение потерь от испарения методом Ноак
Страницы стандарта


































