ГОСТ 10585-75 Топливо нефтяное. Мазут. Технические условия
ГОСТ
Скачать ГОСТ в PDF или DOC бесплатно
Основная информация
Обозначение:
ГОСТ 10585-75
Статус:
Заменен
Тип:
ГОСТ
Название русское:
Топливо нефтяное. Мазут. Технические условия
Название английское:
Oil fuel. Mazut. Specifications
Даты и сроки
Дата издания:
04-01-82
Дата введения в действие:
02-01-77
Дата завершения срока действия:
01-01-01
Применение и описание
Область и условия применения:
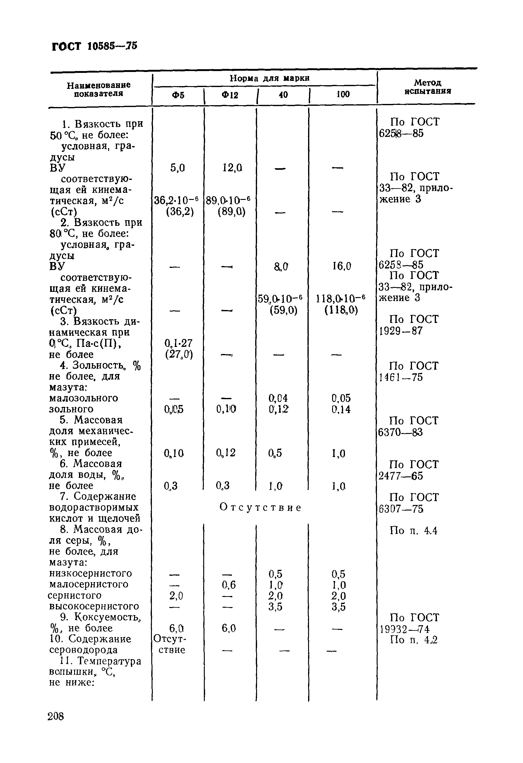
Настоящий стандарт распространяется на топливо, получаемое из продуктов первичной, вторичной переработки нефти, газоконденсатного сырья на Астраханском ГПЗ и предназначенное для транспортных котельных и технологических установок
Связи и замены
Заменяющий:
ГОСТ 10585-99
Взамен:
ГОСТ 10585-63
Взамен в части:
ГОСТ 5.1712-72 кроме топлива для мартеновских печей
Изменения и переиздания
Список изменений:
№0 от (рег. ) «Срок действия продлен» №1 от (рег. ) «Срок действия продлен» №2 от (рег. ) «Срок действия продлен» №3 от (рег. ) «Срок действия продлен» №4 от (рег. ) «Срок действия продлен» №5 от (рег. ) «Срок действия продлен»
Описание стандарта
ГОСТ 10585-75 Топливо нефтяное. Мазут. Технические условия
Страницы стандарта







