ГОСТ 24160-80 Торф. Методы определения влагоемкости и водопоглощаемости
ГОСТ
Скачать ГОСТ в PDF или DOC бесплатно
Основная информация
Обозначение:
ГОСТ 24160-80
Статус:
Заменен
Тип:
ГОСТ
Название русское:
Торф. Методы определения влагоемкости и водопоглощаемости
Название английское:
Turf. Methods for the determination of moisture-holding capacity
Даты и сроки
Дата издания:
09-08-80
Дата введения в действие:
06-30-81
Дата завершения срока действия:
04-01-16
Применение и описание
Область и условия применения:
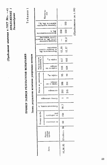
Настоящий стандарт распространяется на торф, добываемый фрезерным способом, предназначенный для подстилки, тепличных грунтов, животноводческих комплексов, и устанавливает методы определения его влагоемкости и водопоглощаемости.Влагоемкость и водопоглощаемость определяют двумя методами: ускоренным и типовым.Ускоренный метод применяют для оперативного контроля этих показателей.Типовой метод применяют при научных исследованиях для характеристики динамики поглощения влаги
Связи и замены
Заменяющий:
ГОСТ 24160-2014
Изменения и переиздания
Список изменений:
№1 от (рег. ) «Поправка» №2 от (рег. ) «Срок действия продлен»
Описание стандарта
ГОСТ 24160-80 Торф. Методы определения влагоемкости и водопоглощаемости
Страницы стандарта

















