ГОСТ 33198-2014 Топлива нефтяные. Определение содержания сероводорода. Экспресс-методы жидкофазной экстракции
ГОСТ
Скачать ГОСТ в PDF или DOC бесплатно
Основная информация
Обозначение:
ГОСТ 33198-2014
Статус:
Действует
Тип:
ГОСТ
Название русское:
Топлива нефтяные. Определение содержания сероводорода. Экспресс-методы жидкофазной экстракции
Название английское:
Oil fuels. Determination of hydrogen sulfide content. Rapid liquid phase extraction method
Даты и сроки
Дата регистрации:
06-30-17
Дата издания:
11-20-18
Дата введения в действие:
01-01-19
Дата завершения срока действия:
-
Применение и описание
Область и условия применения:
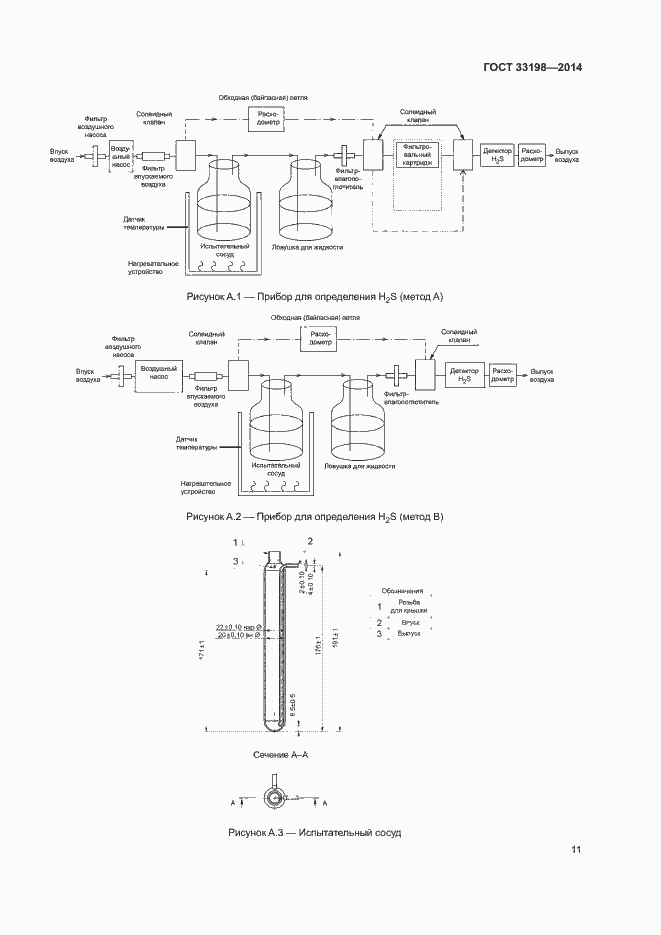
Настоящий стандарт устанавливает методы определения содержания сероводорода (H2S) в нефтяных топливах, в том числе в судовых остаточных топливах, дистиллятах и базовых компонентах нефтяных смесевых топлив с вязкостью, измеренной в жидкой фазе, до 3000 мм кв.с в степени -1 при 50 °C. Настоящий стандарт устанавливает требования к двум методам A и B с соответствующим оборудованием
Связи и замены
Заменяющий:
-
Описание стандарта
ГОСТ 33198-2014 Топлива нефтяные. Определение содержания сероводорода. Экспресс-методы жидкофазной экстракции
Страницы стандарта















