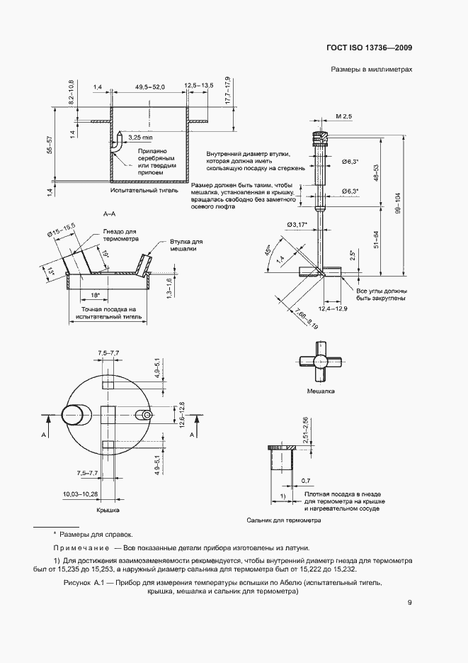
ГОСТ ISO 13736-2009 Нефтепродукты и другие жидкости. Определение температуры вспышки в закрытом тигле по методу Абеля
ГОСТ ИСО
Скачать ГОСТ в PDF или DOC бесплатно
Основная информация
Обозначение:
ГОСТ ISO 13736-2009
Статус:
Действует
Тип:
ГОСТ ИСО
Название русское:
Нефтепродукты и другие жидкости. Определение температуры вспышки в закрытом тигле по методу Абеля
Название английское:
Petroleum products and other liquids. Determination of flash point by Abel closed cup method
Даты и сроки
Дата регистрации:
07-30-17
Дата издания:
11-21-18
Дата введения в действие:
01-01-19
Применение и описание
Область и условия применения:
Предупреждение. При применении настоящего стандарта могут использоваться опасные вещества, операции и оборудование. Настоящий стандарт не предусматривает рассмотрение всех проблем безопасности, связанных с его применением. Пользователь настоящего стандарта несет ответственность за соблюдение техники безопасности, охрану здоровья и установление ограничений по применению стандарта до начала его применения
Описание стандарта
ГОСТ ISO 13736-2009 Нефтепродукты и другие жидкости. Определение температуры вспышки в закрытом тигле по методу Абеля
Страницы стандарта























