ГОСТ Р 55141-2012 Переработка попутного нефтяного газа. Малогабаритные блочные газоперерабатывающие комплексы. Общие технические требования
ГОСТ Р
Скачать ГОСТ в PDF или DOC бесплатно
Основная информация
Обозначение:
ГОСТ Р 55141-2012
Статус:
Действует
Тип:
ГОСТ Р
Название русское:
Переработка попутного нефтяного газа. Малогабаритные блочные газоперерабатывающие комплексы. Общие технические требования
Название английское:
Associated gas processing. Small-sized block gas – processing complexes. General technical requirements
Даты и сроки
Дата издания:
11-25-19
Дата введения в действие:
01-01-14
Дата завершения срока действия:
-
Применение и описание
Область и условия применения:
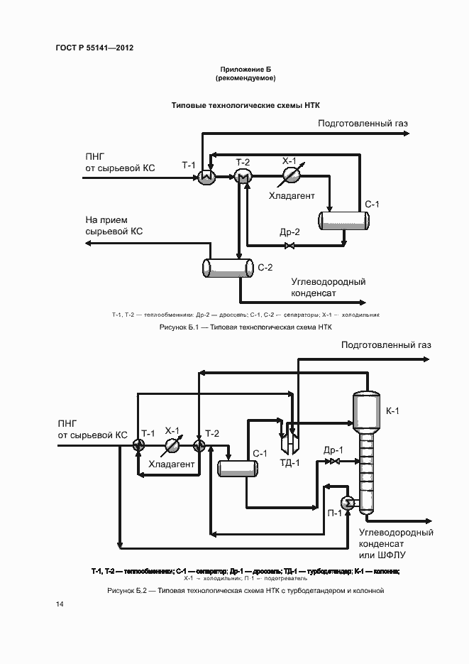
Настоящий стандарт распространяется на малогабаритные блочные газоперерабатывающие комплексы с законченными технологическими связями. В состав комплекса входят процесс-блоки, включающие модули. Производительность малогабаритного блочного газоперерабатывающего комплекса составляет не более 250 млн нм куб. в год. Настоящий стандарт устанавливает требования к проектированию, разработке, изготовлению, поставке и приемке комплексов и входящих в них блоков
Связи и замены
Заменяющий:
-
Описание стандарта
ГОСТ Р 55141-2012 Переработка попутного нефтяного газа. Малогабаритные блочные газоперерабатывающие комплексы. Общие технические требования
Страницы стандарта


















