ГОСТ Р ИСО 13628-4-2016 Нефтяная и газовая промышленность. Проектирование и эксплуатация подводных эксплуатационных систем. Часть 4. Подводное устьевое оборудование и фонтанная арматура
ГОСТ Р ИСО
Скачать ГОСТ в PDF или DOC бесплатно
Основная информация
Обозначение:
ГОСТ Р ИСО 13628-4-2016
Статус:
Действует
Тип:
ГОСТ Р ИСО
Название русское:
Нефтяная и газовая промышленность. Проектирование и эксплуатация подводных эксплуатационных систем. Часть 4. Подводное устьевое оборудование и фонтанная арматура
Название английское:
Petroleum and natural gas industries. Design and operation of subsea production systems. Part 4. Subsea wellhead and tree equipment
Даты и сроки
Дата издания:
01-27-17
Дата введения в действие:
06-01-17
Дата завершения срока действия:
-
Применение и описание
Область и условия применения:
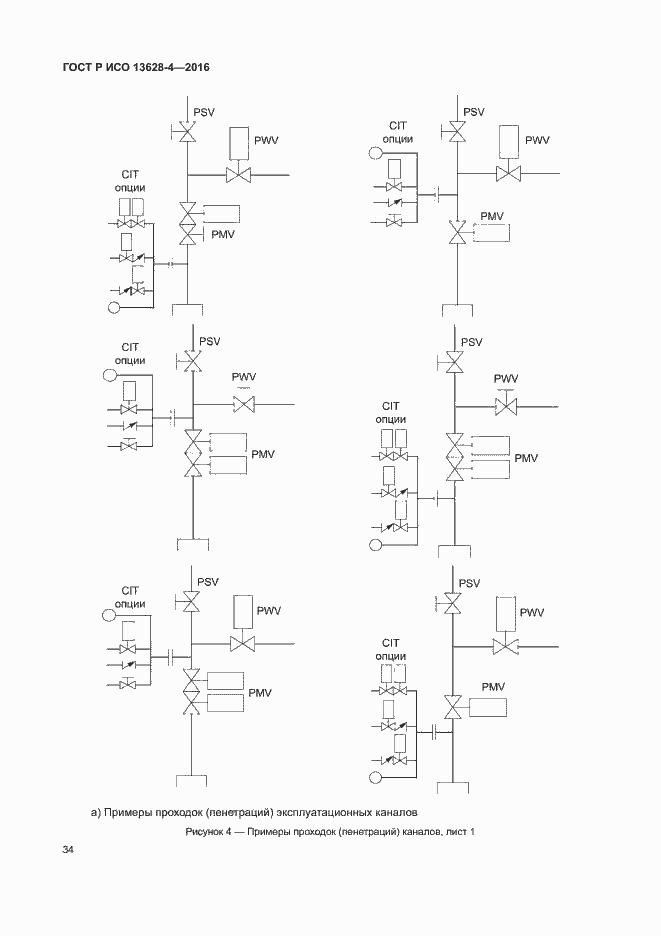
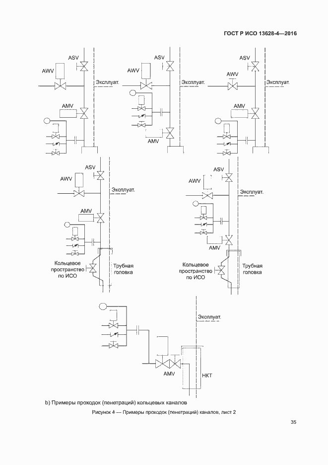
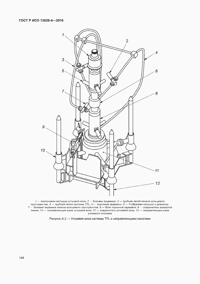
Настоящий стандарт устанавливает технические характеристики подводных устьевых оголовков, донных устьевых оголовков, донных устьевых оголовков со стволовым проходом, а также устьевых елок вертикального и горизонтального типов. Настоящий стандарт определяет соответствующую инструментальную оснастку, необходимую для проведения спуско-подъемных операций, испытаний и монтажа оборудования. Настоящий стандарт также устанавливает области проектирования, применяемые материалы, виды сварки, контроля качества (включая заводские приемо-сдаточные испытания), маркировку, хранение и транспортировку как отдельных узлов (используемых для узловой сборки компоновок подводных устьевых елок), так и готовых сборных компоновок подводных устьевых елок
Связи и замены
Заменяющий:
-
Описание стандарта
ГОСТ Р ИСО 13628-4-2016 Нефтяная и газовая промышленность. Проектирование и эксплуатация подводных эксплуатационных систем. Часть 4. Подводное устьевое оборудование и фонтанная арматура
Страницы стандарта


























































































































































































































