ГОСТ 23677-79 Твердомеры для металлов. Общие технические требования
ГОСТ
Скачать ГОСТ в PDF или DOC бесплатно
Основная информация
Обозначение:
ГОСТ 23677-79
Статус:
Действует
Тип:
ГОСТ
Название русское:
Твердомеры для металлов. Общие технические требования
Название английское:
Hardness testing machines for metals. General technical requirements
Даты и сроки
Дата издания:
12-01-90
Дата введения в действие:
01-01-81
Дата завершения срока действия:
-
Применение и описание
Область и условия применения:
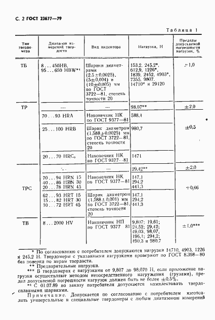
Настоящий стандарт распространяется на стационарные твердомеры Бринелля, Роквелла, СуперРоквелла и Виккерса, предназначенные для измерения твердости
Связи и замены
Заменяющий:
-
Взамен:
ГОСТ 12165-66;ГОСТ 13406-67;ГОСТ 13407-67;ГОСТ 13408-67
Изменения и переиздания
Список изменений:
№1 от (рег. ) «Срок действия продлен» №2 от (рег. ) «Срок действия продлен»
Описание стандарта
ГОСТ 23677-79 Твердомеры для металлов. Общие технические требования
Страницы стандарта









