ГОСТ 3248-81 Металлы. Метод испытания на ползучесть
ГОСТ
Скачать ГОСТ в PDF или DOC бесплатно
Основная информация
Обозначение:
ГОСТ 3248-81
Статус:
Действует
Тип:
ГОСТ
Название русское:
Металлы. Метод испытания на ползучесть
Название английское:
Metals. Creep test method
Даты и сроки
Дата издания:
03-01-88
Дата введения в действие:
06-30-82
Дата завершения срока действия:
-
Применение и описание
Область и условия применения:
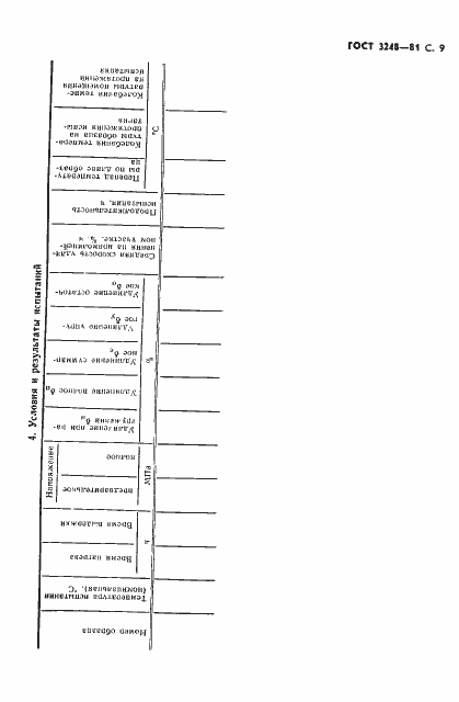
Настоящий стандарт устанавливает метод испытания на ползучесть черных и цветных металлов и сплавов при температуре до 1200 град. С. Сущность метода состоит в том, что образец подвергается воздействию постоянной растягивающей нагрузки и постоянной температуры при фиксировании деформации образца во времени. В результате испытания определяют предел ползучести материала, т. е. напряжения, при котором скорость или деформация ползучести за определенный промежуток времени не превышает заданной величины
Связи и замены
Заменяющий:
-
Взамен:
ГОСТ 3248-60
Изменения и переиздания
Список изменений:
№1 от (рег. ) «Срок действия продлен»
Описание стандарта
ГОСТ 3248-81 Металлы. Метод испытания на ползучесть
Страницы стандарта










