ГОСТ 4832-80 Чугун литейный. Технические условия
ГОСТ
Скачать ГОСТ в PDF или DOC бесплатно
Основная информация
Обозначение:
ГОСТ 4832-80
Статус:
Заменен
Тип:
ГОСТ
Название русское:
Чугун литейный. Технические условия
Название английское:
Foundry pig iron. Specifications
Даты и сроки
Дата издания:
09-01-89
Дата введения в действие:
01-01-82
Дата завершения срока действия:
07-01-99
Применение и описание
Область и условия применения:
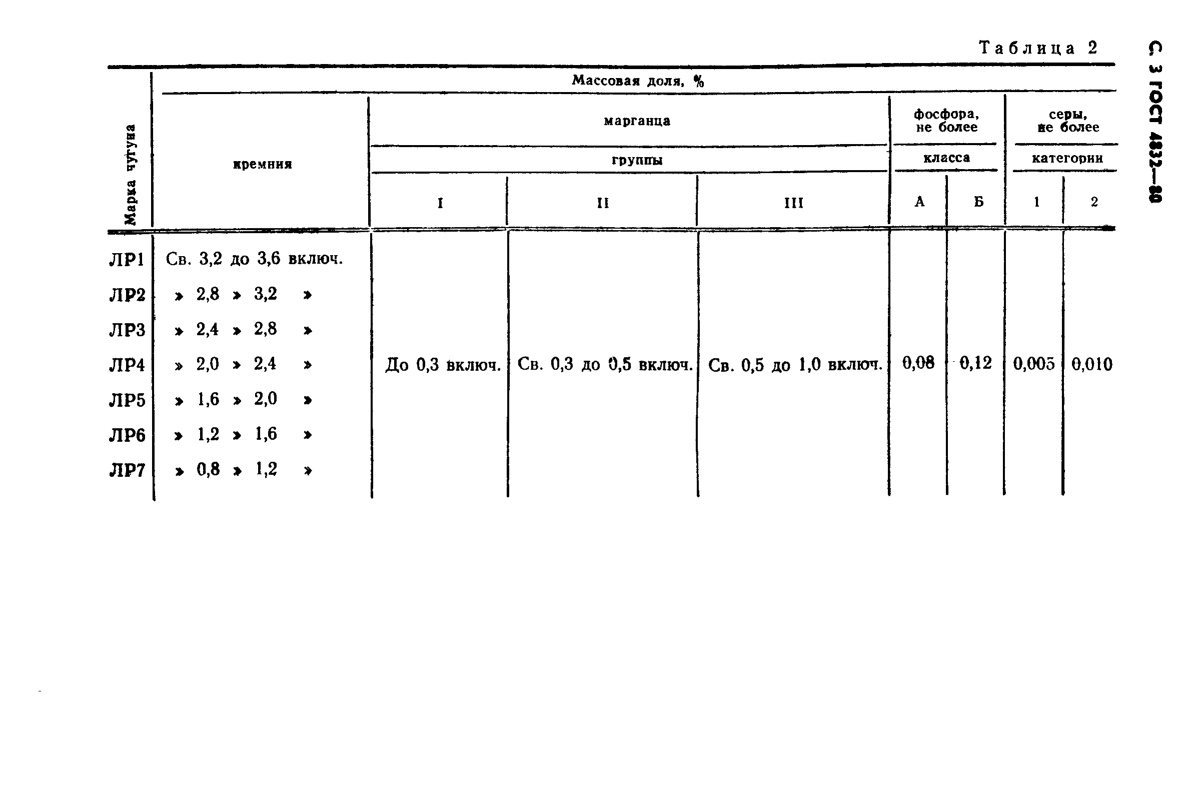
Настоящий стандарт распространяется на литейный чугун, предназначенный для дальнейшей переплавки в чугунолитейных цехах при производстве отливок
Связи и замены
Заменяющий:
ГОСТ 4832-95
Взамен:
ГОСТ 4832-72;ГОСТ 5.1751-72
Изменения и переиздания
Список изменений:
№1 от (рег. ) «Срок действия продлен»
Описание стандарта
ГОСТ 4832-80 Чугун литейный. Технические условия
Страницы стандарта







