ГОСТ 14250.7-90 Ферротитан. Метод определения кремния
ГОСТ
Скачать ГОСТ в PDF или DOC бесплатно
Основная информация
Обозначение:
ГОСТ 14250.7-90
Статус:
Действует
Тип:
ГОСТ
Название русское:
Ферротитан. Метод определения кремния
Название английское:
Ferrotitanium. Method for determination of silicon
Даты и сроки
Дата издания:
04-26-91
Дата введения в действие:
06-30-91
Дата завершения срока действия:
-
Применение и описание
Область и условия применения:
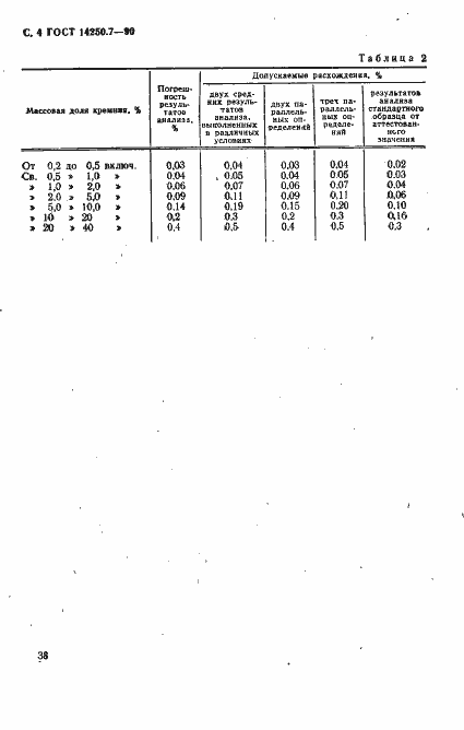
Настоящий стандарт устанавливает гравиметрический метод определения кремния в ферротитане при массовой доле его от 0,2 до 40%
Связи и замены
Заменяющий:
-
Взамен:
ГОСТ 14250.7-80
Описание стандарта
ГОСТ 14250.7-90 Ферротитан. Метод определения кремния
Страницы стандарта





