ГОСТ 13637.1-93 Галлий. Атомно-эмиссионный метод определения алюминия, висмута, железа, кремния, магния, марганца, меди, никеля, олова, свинца, хрома и цинка
ГОСТ
Скачать ГОСТ в PDF или DOC бесплатно
Основная информация
Обозначение:
ГОСТ 13637.1-93
Статус:
Действует
Тип:
ГОСТ
Название русское:
Галлий. Атомно-эмиссионный метод определения алюминия, висмута, железа, кремния, магния, марганца, меди, никеля, олова, свинца, хрома и цинка
Название английское:
Gallium. Atomic-emission method for the determination of aluminium, iron, bismuth, silicon, magnesium, manganese, copper, nickel, tin, lead, chromium and zinc
Даты и сроки
Дата регистрации:
10-19-93
Дата издания:
01-23-96
Дата введения в действие:
01-01-95
Дата завершения срока действия:
-
Применение и описание
Область и условия применения:
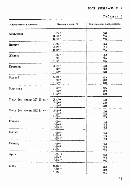
Настоящий стандарт устанавливает прямой атомно-эмиссионный метод определения массовых долей примесей в галлии
Связи и замены
Заменяющий:
-
Взамен:
ГОСТ 13637.1-77
Описание стандарта
ГОСТ 13637.1-93 Галлий. Атомно-эмиссионный метод определения алюминия, висмута, железа, кремния, магния, марганца, меди, никеля, олова, свинца, хрома и цинка
Страницы стандарта















