ГОСТ 23162-78 Электроагрегаты и передвижные электростанции с двигателями внутреннего сгорания. Система условных обозначений
ГОСТ
Скачать ГОСТ в PDF или DOC бесплатно
Основная информация
Обозначение:
ГОСТ 23162-78
Статус:
Заменен
Тип:
ГОСТ
Название русское:
Электроагрегаты и передвижные электростанции с двигателями внутреннего сгорания. Система условных обозначений
Название английское:
Generating sets and moving power stations with internal-combustion engines. System of symbols
Даты и сроки
Дата издания:
08-11-78
Дата введения в действие:
06-30-79
Дата завершения срока действия:
06-01-16
Применение и описание
Область и условия применения:
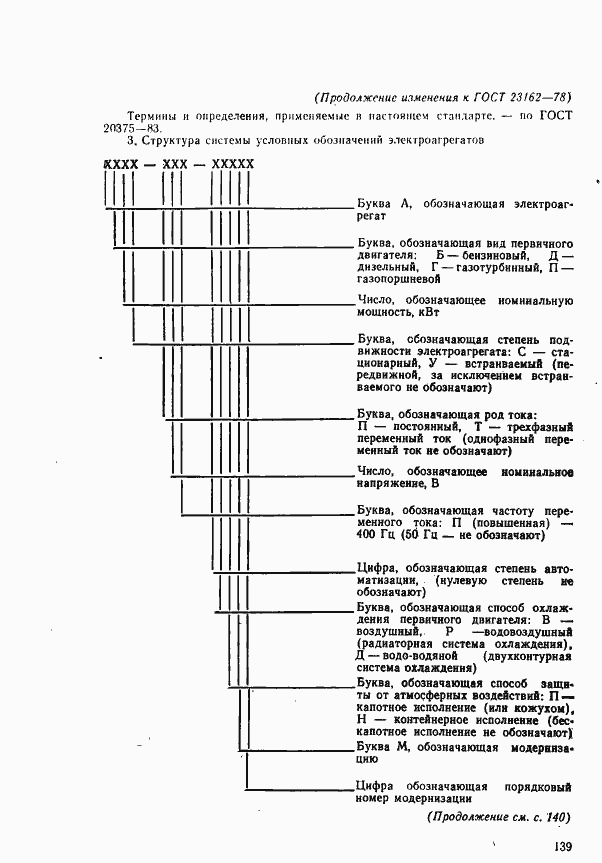
Настоящий стандарт распространяется на передвижные и стационарные электроагрегаты и на передвижные электростанции с двигателями внутреннего сгорания и устанавливает систему их условных обозначений. Стандарт не распространяется на судовые, тепловозные, сварочные электроагрегаты, электроагрегаты летательных аппаратов и энергопоезда
Связи и замены
Заменяющий:
ГОСТ 23162-2014
Изменения и переиздания
Список изменений:
№1 от (рег. ) «Поправка»
Описание стандарта
ГОСТ 23162-78 Электроагрегаты и передвижные электростанции с двигателями внутреннего сгорания. Система условных обозначений
Страницы стандарта










