ГОСТ 9853.5-79 Титан губчатый. Методы определения кислорода
ГОСТ
Скачать ГОСТ в PDF или DOC бесплатно
Основная информация
Обозначение:
ГОСТ 9853.5-79
Статус:
Заменен
Тип:
ГОСТ
Название русское:
Титан губчатый. Методы определения кислорода
Название английское:
Sponge titanium. Methods for the determination of oxygen
Даты и сроки
Дата издания:
11-05-79
Дата введения в действие:
01-01-81
Дата завершения срока действия:
07-01-00
Применение и описание
Область и условия применения:
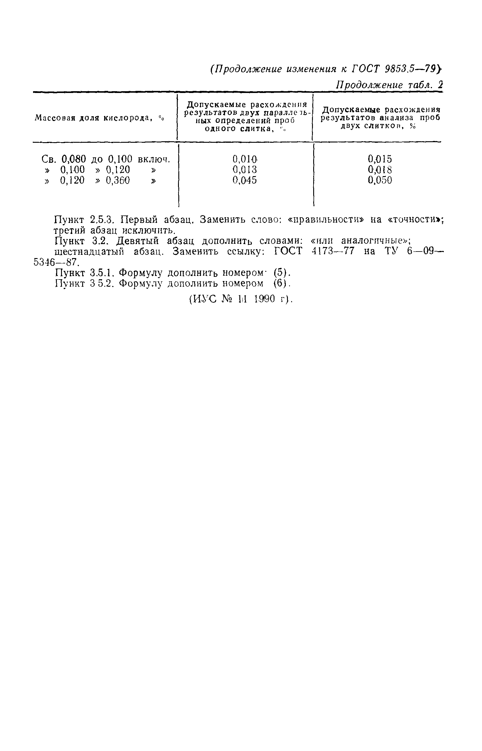
Настоящий стандарт устанавливает порядок определения кислорода в губчатом титане методами: нейтронной активизации - при массовой доле кислорода от 0,02 до 0,12%; импульсного нагрева - при массовой доле кислорода от 0,02 до 0,36%
Связи и замены
Заменяющий:
ГОСТ 9853.5-96
Взамен:
ГОСТ 9853.6-72
Изменения и переиздания
Список изменений:
№1 от (рег. ) «Срок действия продлен» №2 от (рег. ) «Срок действия продлен»
Описание стандарта
ГОСТ 9853.5-79 Титан губчатый. Методы определения кислорода
Страницы стандарта



















