ГОСТ 16350-80 Климат СССР. Районирование и статистические параметры климатических факторов для технических целей
ГОСТ
Скачать ГОСТ в PDF или DOC бесплатно
Основная информация
Обозначение:
ГОСТ 16350-80
Статус:
Действует
Тип:
ГОСТ
Название русское:
Климат СССР. Районирование и статистические параметры климатических факторов для технических целей
Название английское:
Climate of the USSR. Regionalizing and statistical parameters of climatic factors for technical purposes
Даты и сроки
Дата издания:
04-09-81
Дата введения в действие:
06-30-81
Дата завершения срока действия:
-
Применение и описание
Область и условия применения:
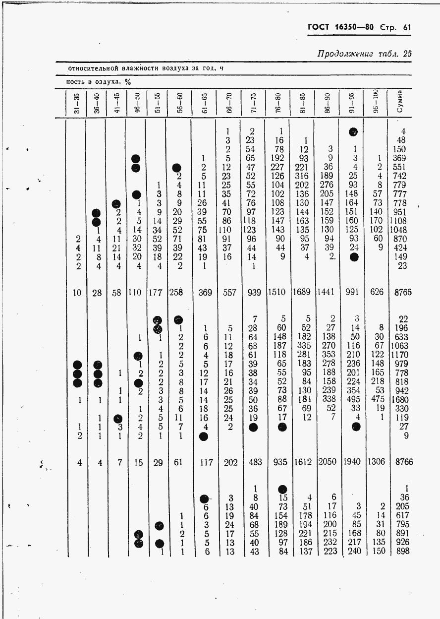
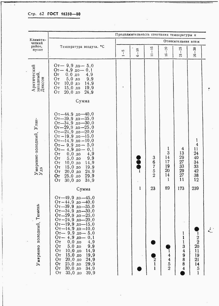
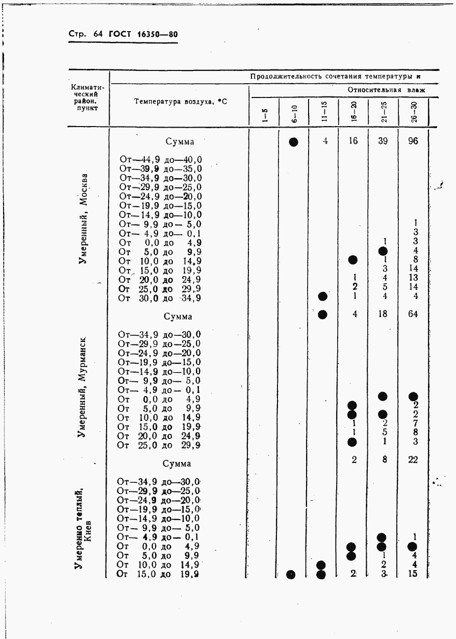
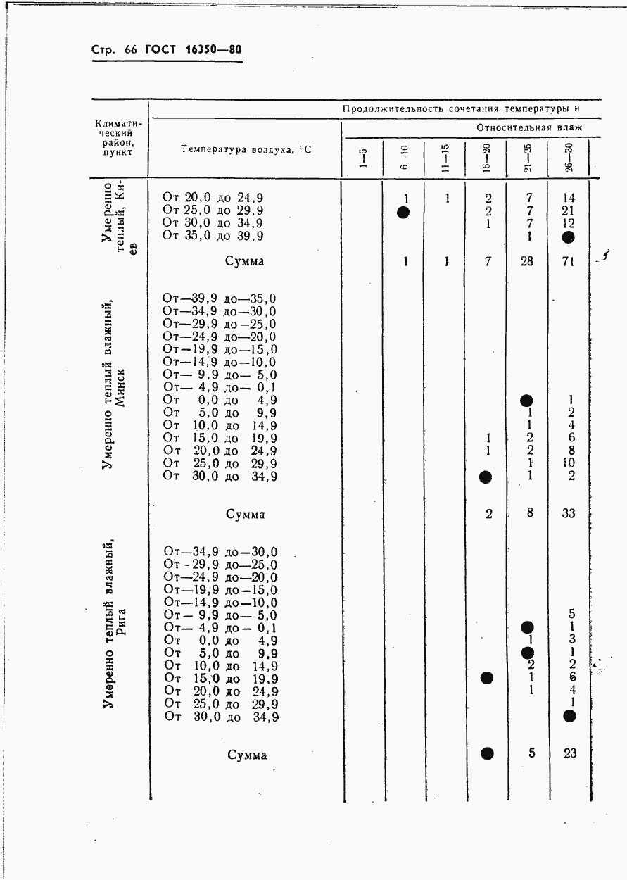
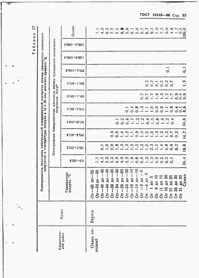
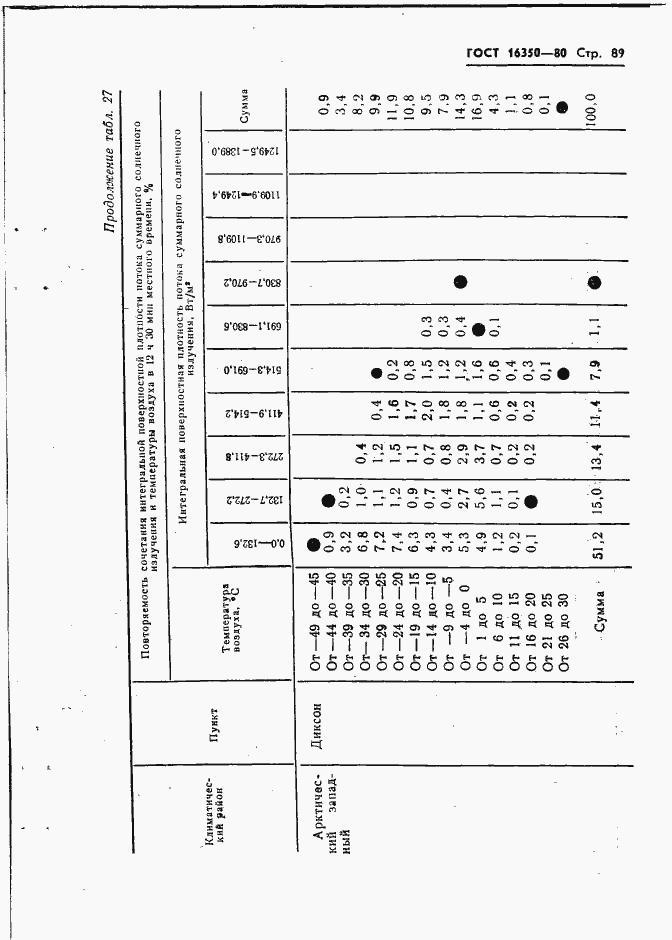
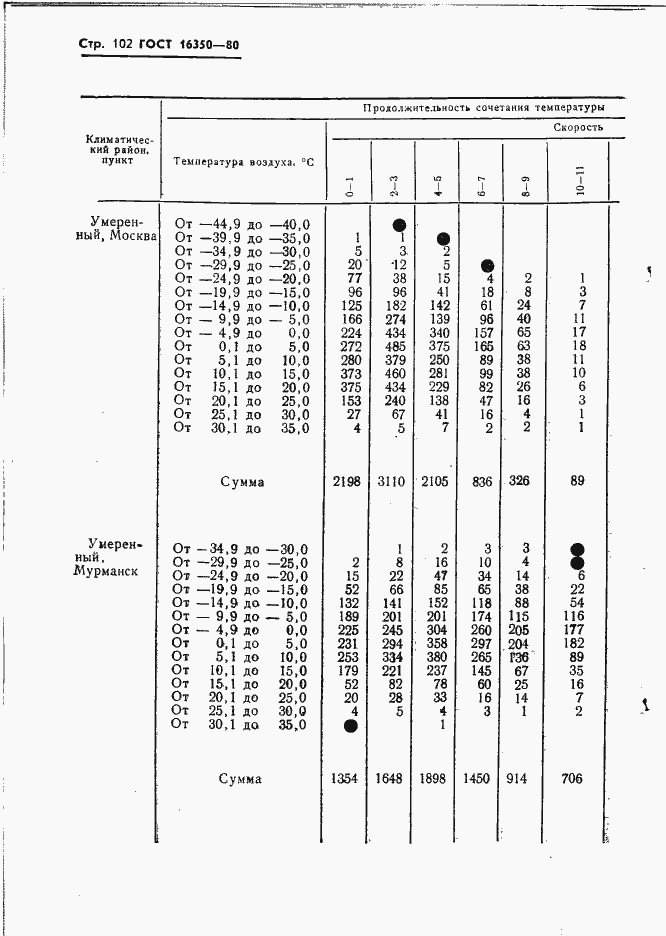
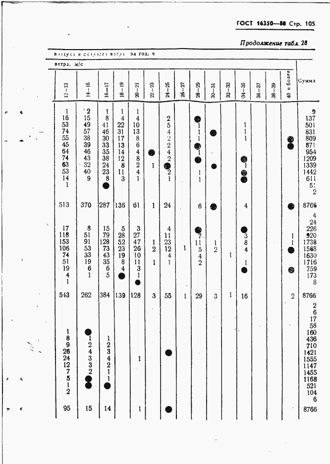
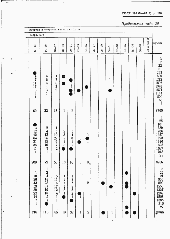
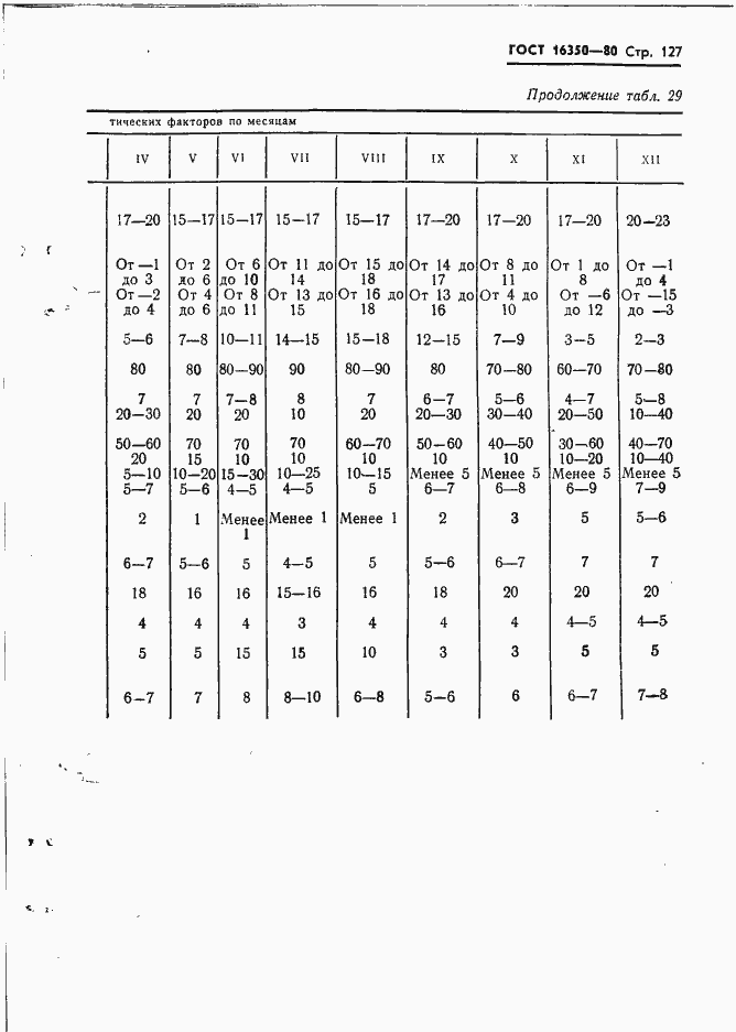
Настоящий стандарт устанавливает климатическое районирование территории СССР и статистические параметры климатических факторов, которые должны использоваться при установлении технических требований, выборе режимов испытаний, правил эксплуатации, хранения, транспортирования всех видов машин, приборов и других технических изделий, предназначенных для эксплуатации в одном из климатических районов, установленных настоящим стандартом
Связи и замены
Заменяющий:
-
Взамен:
ГОСТ 16350-70
Описание стандарта
ГОСТ 16350-80 Климат СССР. Районирование и статистические параметры климатических факторов для технических целей
Страницы стандарта





















































































































































