ГОСТ 25645.130-86 Излучение рентгеновское солнечное. Амплитудные характеристики
ГОСТ
Скачать ГОСТ в PDF или DOC бесплатно
Основная информация
Обозначение:
ГОСТ 25645.130-86
Статус:
Действует
Тип:
ГОСТ
Название русское:
Излучение рентгеновское солнечное. Амплитудные характеристики
Название английское:
Solar X-rays. Amplitude characteristics
Даты и сроки
Дата издания:
04-07-86
Дата введения в действие:
01-01-87
Дата завершения срока действия:
-
Применение и описание
Область и условия применения:
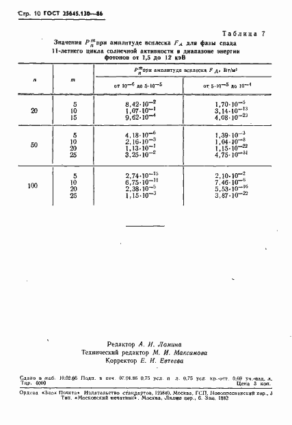
Настоящий стандарт устанавливает численные значения распределений по амплитудам плотностей потоков солнечного рентгеновского излучения при солнечных рентгеновских всплесках и фонового солнечного рентгеновского излучения в диапазоне энергий фотонов от 1,5 до 25 кэВ для различных фаз 11-летнего цикла солнечной активности
Связи и замены
Заменяющий:
-
Описание стандарта
ГОСТ 25645.130-86 Излучение рентгеновское солнечное. Амплитудные характеристики
Страницы стандарта











