ГОСТ 25645.149-89 Излучение солнечное ультрафиолетовое коротковолновое. Характеристики потоков
ГОСТ
Скачать ГОСТ в PDF или DOC бесплатно
Основная информация
Обозначение:
ГОСТ 25645.149-89
Статус:
Действует
Тип:
ГОСТ
Название русское:
Излучение солнечное ультрафиолетовое коротковолновое. Характеристики потоков
Название английское:
Solar extreme ultra-violet radiation. Characteristics of flux values
Даты и сроки
Дата издания:
03-02-90
Дата введения в действие:
01-01-91
Дата завершения срока действия:
-
Применение и описание
Область и условия применения:
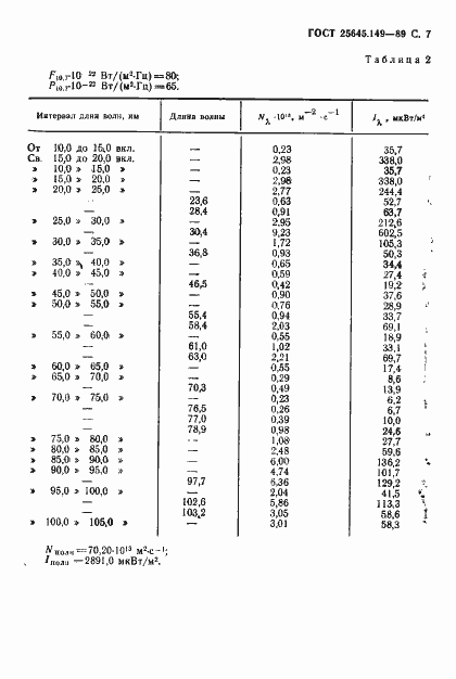
Настоящий стандарт определяет модель распределения плотности потоков фотонов и энергии солнечного ультрафиолетового коротковолнового излучения по длине волны в диапазоне от 10 до 105 нм для различных уровней солнечной активности при отсутствии вспышек на Солнце. Стандарт предназначен для оценки параметров ионосферы, верхней атмосферы Земли и планет солнечной системы и радиационного воздействия излучения на технические устройства в космическом пространстве
Связи и замены
Заменяющий:
-
Описание стандарта
ГОСТ 25645.149-89 Излучение солнечное ультрафиолетовое коротковолновое. Характеристики потоков
Страницы стандарта





































