ГОСТ 9462-88 Лесоматериалы круглые лиственных пород. Технические условия
ГОСТ
Скачать ГОСТ в PDF или DOC бесплатно
Основная информация
Обозначение:
ГОСТ 9462-88
Статус:
Заменен
Тип:
ГОСТ
Название русское:
Лесоматериалы круглые лиственных пород. Технические условия
Название английское:
Round timber of broad-leaved species. Specifications
Даты и сроки
Дата издания:
11-13-10
Дата введения в действие:
01-01-91
Дата завершения срока действия:
04-01-18
Применение и описание
Область и условия применения:
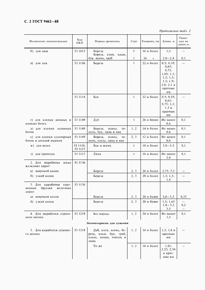
Настоящий стандарт распространяется на круглые лесоматериалы лиственных пород, предназначенные для использования в различных отраслях промышленности и строительства
Связи и замены
Заменяющий:
ГОСТ 9462-2016
Взамен:
ГОСТ 9462-71
Изменения и переиздания
Список изменений:
№0 от (рег. ) «Утратил силу в РФ» №1 от (рег. ) «Срок действия продлен»
Описание стандарта
ГОСТ 9462-88 Лесоматериалы круглые лиственных пород. Технические условия
Страницы стандарта











