ГОСТ 9330-2016 Основные соединения деталей из древесины и древесных материалов. Типы и размеры
ГОСТ
Скачать ГОСТ в PDF или DOC бесплатно
Основная информация
Обозначение:
ГОСТ 9330-2016
Статус:
Действует
Тип:
ГОСТ
Название русское:
Основные соединения деталей из древесины и древесных материалов. Типы и размеры
Название английское:
Principal joints of details of wood and wooden materials. Types and dimensions
Даты и сроки
Дата регистрации:
03-29-16
Дата издания:
08-12-16
Дата введения в действие:
03-01-17
Дата завершения срока действия:
-
Применение и описание
Область и условия применения:
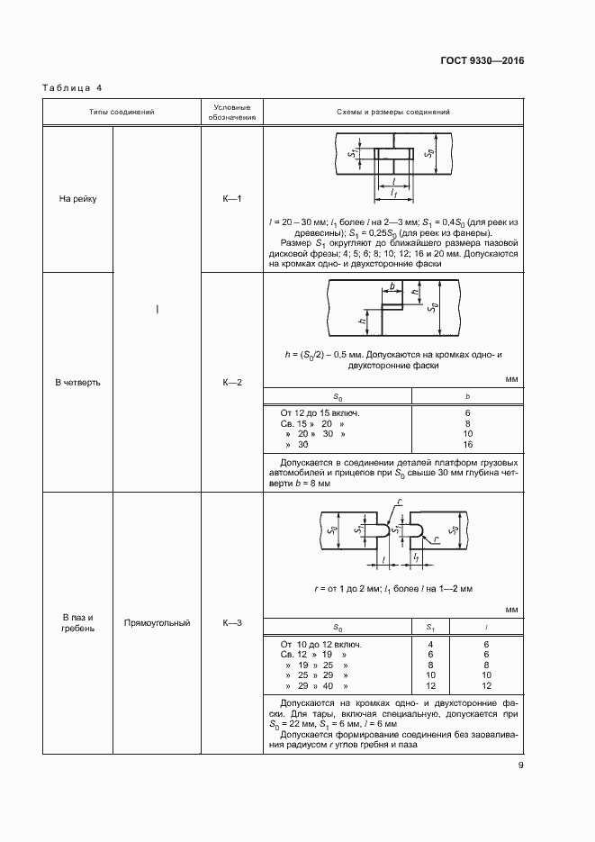
Настоящий стандарт распространяется на основные шиповые соединения деталей из древесины и древесных материалов и устанавливает их типы и размеры
Связи и замены
Заменяющий:
-
Взамен:
ГОСТ 9330-76
Описание стандарта
ГОСТ 9330-2016 Основные соединения деталей из древесины и древесных материалов. Типы и размеры
Страницы стандарта















