ГОСТ 25650-83 Климат Антарктиды. Районирование и статистические параметры климатических факторов для технических целей
ГОСТ
Скачать ГОСТ в PDF или DOC бесплатно
Основная информация
Обозначение:
ГОСТ 25650-83
Статус:
Действует
Тип:
ГОСТ
Название русское:
Климат Антарктиды. Районирование и статистические параметры климатических факторов для технических целей
Название английское:
Climate of Antarctica. Regionalizing and statistical parameters of climatic factors for technical purposes
Даты и сроки
Дата издания:
09-22-83
Дата введения в действие:
01-01-84
Дата завершения срока действия:
-
Применение и описание
Область и условия применения:
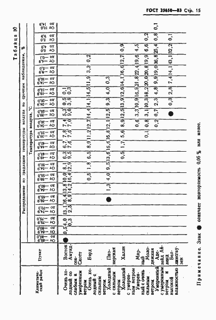
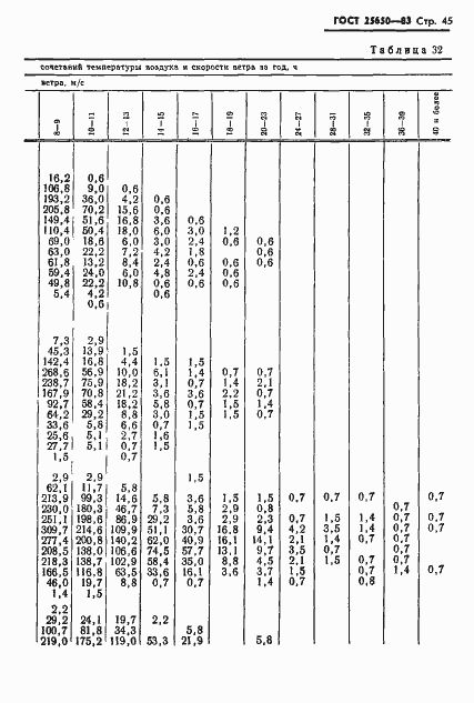
Настоящий стандарт устанавливает климатическое районирование территории Антарктиды и статистические параметры климатических факторов, которые должны использоваться при установлении технических требований, выборе режимов испытаний, правил эксплуатации, хранения, транспорирования всех видов машин, приборов и других технических изделий, предназначенных для эксплуатации в одном из климатических районов, установленных настоящим стандартом
Связи и замены
Заменяющий:
-
Описание стандарта
ГОСТ 25650-83 Климат Антарктиды. Районирование и статистические параметры климатических факторов для технических целей
Страницы стандарта
























































