ГОСТ 25870-83 Макроклиматические районы земного шара с холодным и умеренным климатом. Районирование и статистические параметры климатических факторов для технических целей
ГОСТ
Скачать ГОСТ в PDF или DOC бесплатно
Основная информация
Обозначение:
ГОСТ 25870-83
Статус:
Действует
Тип:
ГОСТ
Название русское:
Макроклиматические районы земного шара с холодным и умеренным климатом. Районирование и статистические параметры климатических факторов для технических целей
Название английское:
Macroclimatic regions of the world with cold and temperate climate. Regionalizing and statistical parameters of climatic factors for technical purposes
Даты и сроки
Дата издания:
04-17-84
Дата введения в действие:
06-30-84
Дата завершения срока действия:
-
Применение и описание
Область и условия применения:
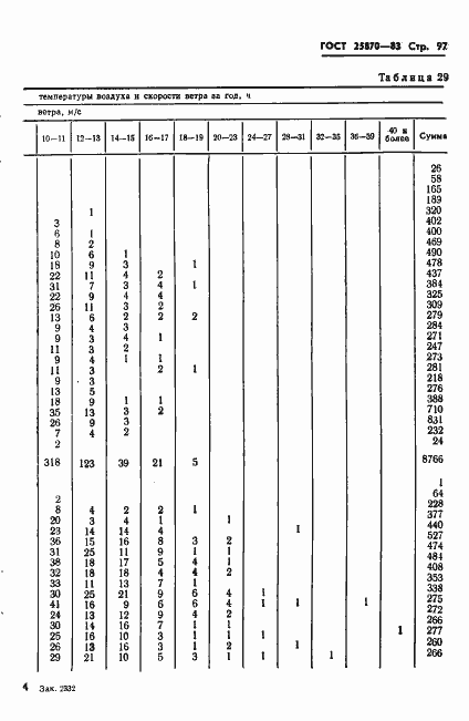
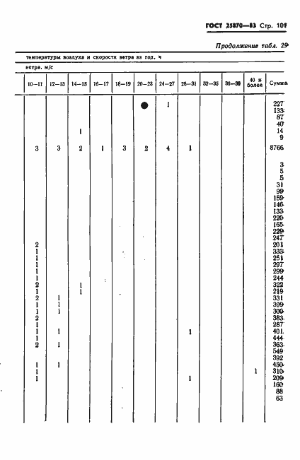
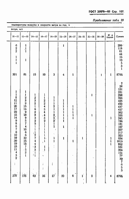
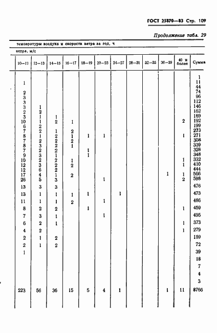
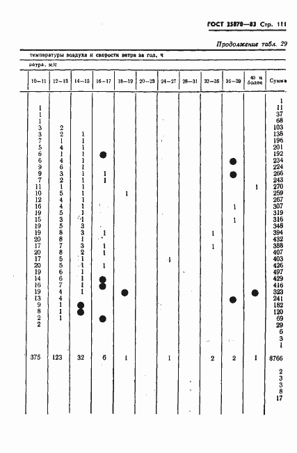
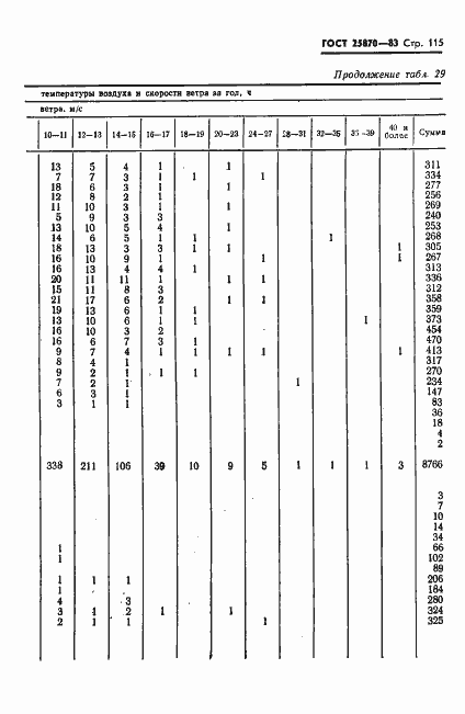
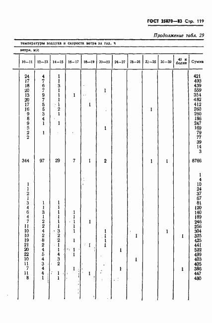
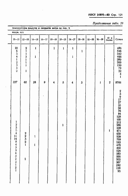
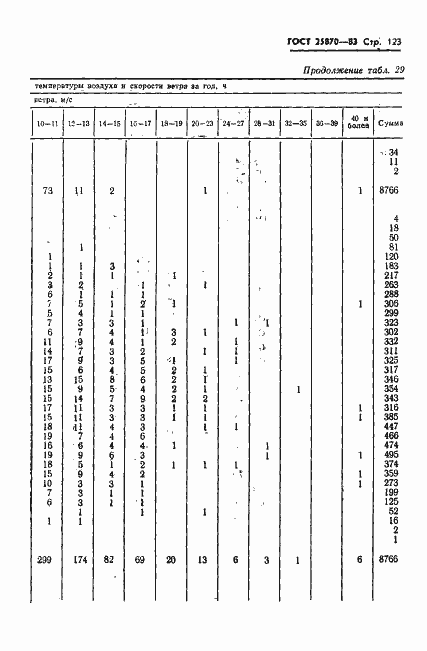
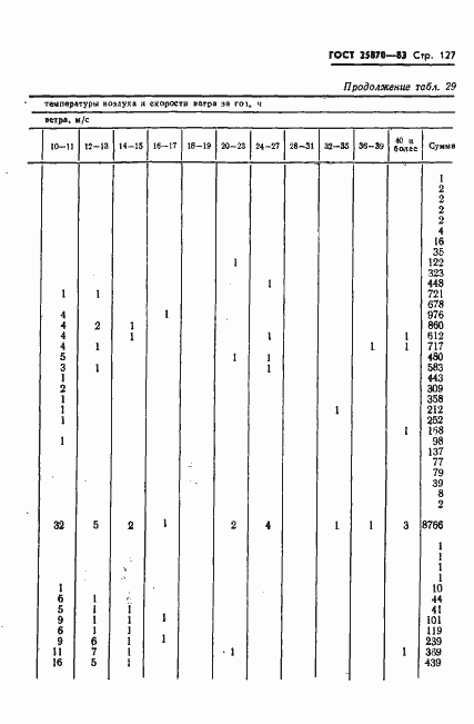
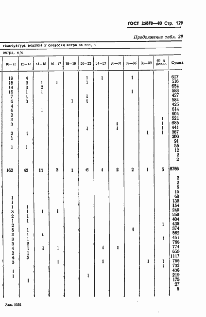
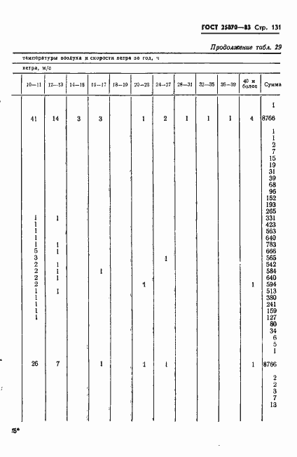
Настоящий стандарт устанавливает климатическое районирование макроклиматических районов земного шара с холодным и умеренным климатом и статистические параметры климатических факторов, которые должны использоваться при установлении технических требований, выборе режимов испытаний, правил эксплуатации, хранения, транспортирования всех видов машин, приборов и других технических изделий, предназначенных для эксплуатации в одном из этих макроклиматических районов
Связи и замены
Заменяющий:
-
Описание стандарта
ГОСТ 25870-83 Макроклиматические районы земного шара с холодным и умеренным климатом. Районирование и статистические параметры климатических факторов для технических целей
Страницы стандарта

















































































































































































