ГОСТ 27460-87 Трубки, капилляры и палочки из боросиликатного стекла 3,3. Общие технические условия
ГОСТ
Скачать ГОСТ в PDF или DOC бесплатно
Основная информация
Обозначение:
ГОСТ 27460-87
Статус:
Действует
Тип:
ГОСТ
Название русское:
Трубки, капилляры и палочки из боросиликатного стекла 3,3. Общие технические условия
Название английское:
Tubiqs, capillahes and stems made of borosilicate glass 3,3. General specifications
Даты и сроки
Дата издания:
12-25-87
Дата введения в действие:
06-30-88
Дата завершения срока действия:
-
Применение и описание
Область и условия применения:
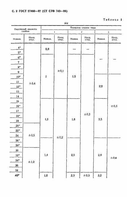
Настоящий стандарт распространяется на трубки, капилляры и палочки из боросиликатного стекла 3,3, применяемые для изготовления лабораторных приборов и их деталей. Настоящий стандарт не распространяется на трубки, применяемые для изготовления мерной лабораторной посуды
Связи и замены
Заменяющий:
-
Описание стандарта
ГОСТ 27460-87 Трубки, капилляры и палочки из боросиликатного стекла 3,3. Общие технические условия
Страницы стандарта










